EasyManua.ls Logo

Bosch Rexroth IndraDrive CS - Page 66

Bosch Rexroth IndraDrive CS
153 pages
Print Icon
To Next Page IconTo Next Page
To Next Page IconTo Next Page
To Previous Page IconTo Previous Page
To Previous Page IconTo Previous Page
Loading...
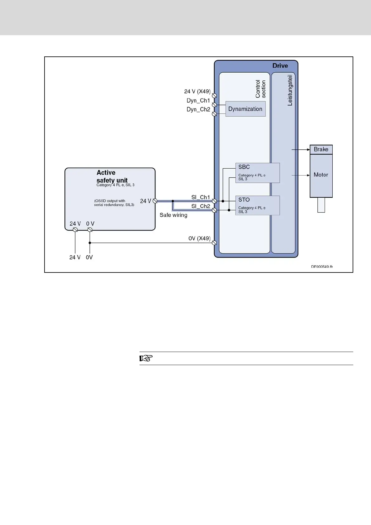
Fig. 7-5: STO function and SBC function (only IndraDrive Cs with "L4") with sin‐
gle-channel wiring and active safety unit
When the wiring between the active safety unit and connector X49 of the "L
option" is to be a single-channel wiring (as illustrated above), the wiring must
be carried out as a "safe wiring". For this purpose, the following fault
exclusions must be made:
Short circuits with other potentials
Short circuit with 24 V
Short circuit with ground
See also EN 61800-5-2: 2007, table D.1
When the wiring between the active safety unit and connector X49 of the "L
option" is a single-channel
wiring, the OSSD output must have been
designed with "serial redundancy" in accordance with SIL3.
DOK-INDRV*-SI3-**VRS**-AP06-EN-P
Rexroth IndraDrive Integrated Safety Technology "Safe Torque Off" (as of MPx-16)
Bosch Rexroth AG 63/149
Examples of application
LSA Control S.L. www.lsa-control.com comercial@lsa-control.com (+34) 960 62 43 01

Table of Contents

Related product manuals