EasyManua.ls Logo

BWT Pearl Connect - Garantie; Symboles; Shéma Électrique

BWT Pearl Connect
Print Icon
To Next Page IconTo Next Page
To Next Page IconTo Next Page
To Previous Page IconTo Previous Page
To Previous Page IconTo Previous Page
Loading...
CONSTRUCTION & REENOVATION 16 2022/12 - Indice de révision : D - Code : 32570
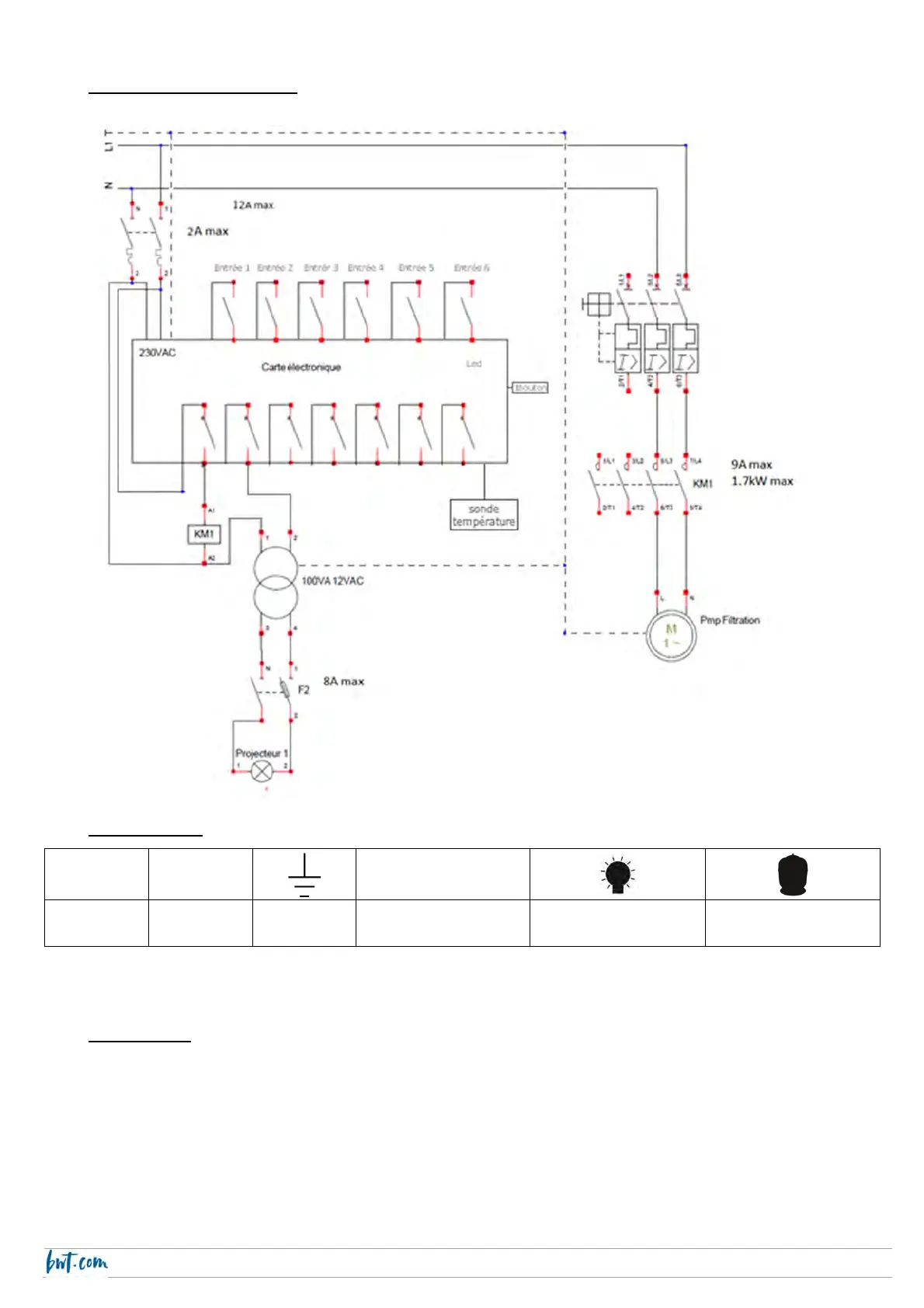
13. Shéma électrique
14. Symboles
N P
12V
neutre phase terre 12 volt alternatif
raccordement
projecteur
raccordement
pompe de fitration
15. Garantie
De façon générale, la garantie accordée par la société BWT ne peut s’activer que si le produit a été stocké,
manutentionné, installé, utilisé, et entretenu conformément aux préconisations de la présente notice.

Related product manuals