EasyManua.ls Logo

Carver Pump RSA - Bearing Frame Water Cooling

Carver Pump RSA
62 pages
Print Icon
To Next Page IconTo Next Page
To Next Page IconTo Next Page
To Previous Page IconTo Previous Page
To Previous Page IconTo Previous Page
Loading...
RS Multi-Stage, I-280
Centrifugal Pump 280 16.03.EN
14
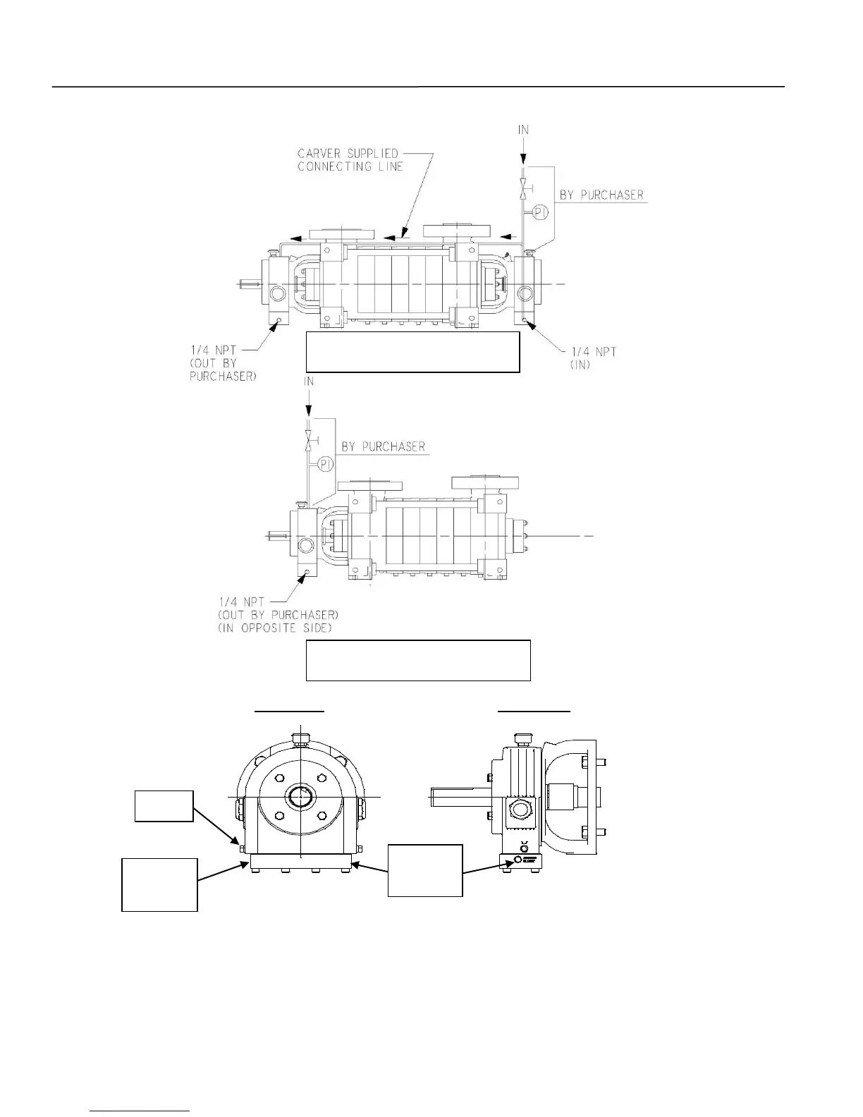
Figure 3. Bearing Frame Water Cooling
OPTIONAL DESIGN
END VIEW
SIDE VIEW
IN/OUT
¼ NPT
IN/OUT
¼ NPT
OIL
DRAI
N
STANDARD DESIGN

Table of Contents

Related product manuals