EasyManua.ls Logo

Case 445CT - Wiring Harness - Electrical Schematic Frame 07 (A.30.A.88 - C.20.E.07); 435, 445, 445 Ct

Case 445CT
252 pages
Print Icon
To Next Page IconTo Next Page
To Next Page IconTo Next Page
To Previous Page IconTo Previous Page
To Previous Page IconTo Previous Page
Loading...
DISTRIBUTION SYSTEMS - ELECTRICA L POWE R SYSTEM
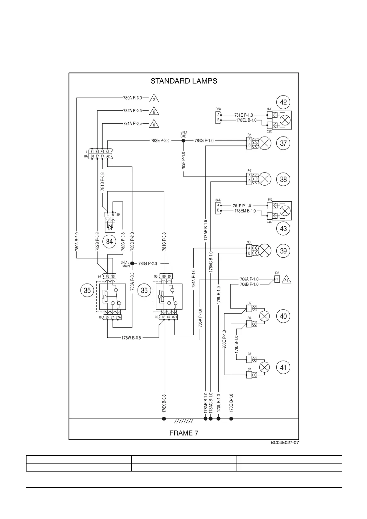
Wiring harness - Electrical schematic frame 07 (A.30.A.88 -
C.20.E.07)
435, 445, 445CT
bc04e027-07 1
(34) Diode (38) Right Front Work Light (42) Left Front (Euro) Road Light
(35) Light Relay No. 1 (39) Rear Work Light (43) Right Front (Euro) Road Light
1 04/05/2005
A.30.A / 63

Table of Contents

Related product manuals