EasyManua.ls Logo

Case 445CT - Wiring Harness - Electrical Schematic Frame 21 (A.30.A.88 - C.20.E.21); 435, 445, 445 Ct

Case 445CT
252 pages
Print Icon
To Next Page IconTo Next Page
To Next Page IconTo Next Page
To Previous Page IconTo Previous Page
To Previous Page IconTo Previous Page
Loading...
DISTRIBUTION SYSTEMS - ELECTRICA L POWE R SYSTEM
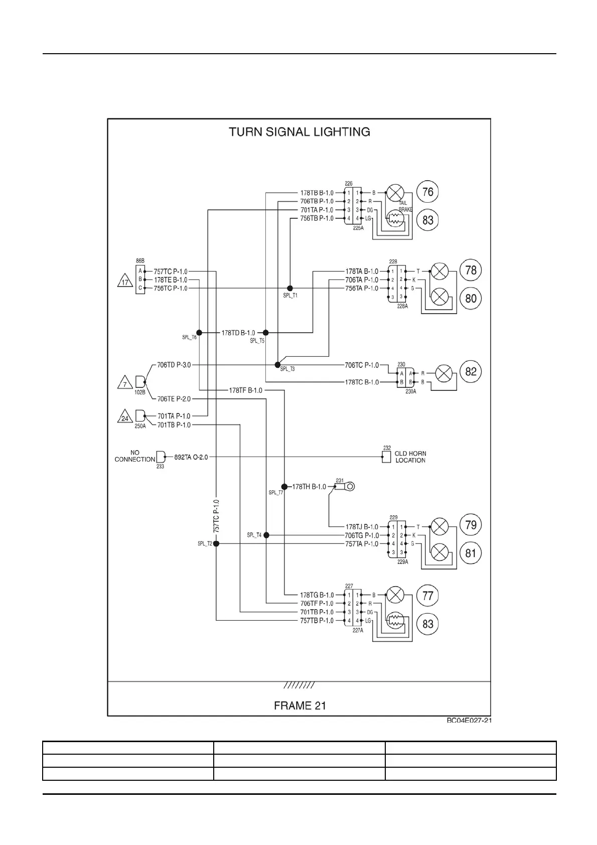
Wiring harness - Electrical schematic frame 21 (A.30.A.88 -
C.20.E.21)
435, 445, 445CT
bc04e027-21 1
(76) Left Rear Turn Light (79) Right Front Turn Light (82) License Plate Light
(77) Right Rear Turn Light (80) Left Front Position Lig ht (83) Resistor
(78) Left Front Turn Light (81) Righ t Front Position Light
1 04/05/2005
A.30.A / 79

Table of Contents

Related product manuals