EasyManua.ls Logo

Case 445CT - Page 32

Case 445CT
252 pages
Print Icon
To Next Page IconTo Next Page
To Next Page IconTo Next Page
To Previous Page IconTo Previous Page
To Previous Page IconTo Previous Page
Loading...
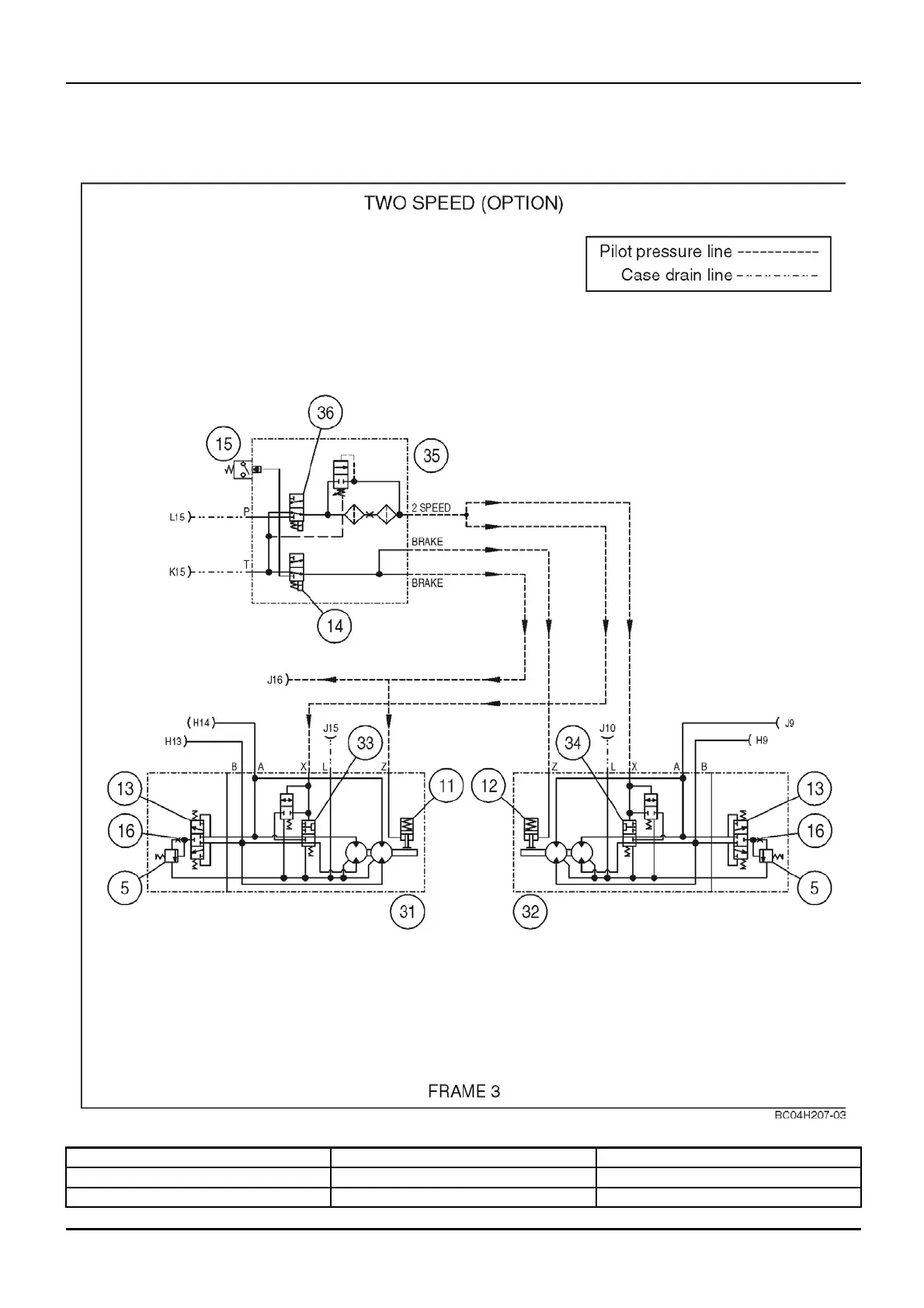
DISTRIBUTION SYSTEMS - PRIMARY HYDRAULIC POWER SYSTEM
PRIMARY HYDRAULIC POWER SYSTEM - Hydraulic schematic
frame 03 (A.10.A - C.20.H.03)
435, 445, 445CT
bc04h207-03 1
5. Circuit relief valve 15. Charge pressure switch 33. Left two speed shuttle valve
11. Left brake 16. Orice
34. Right two speed shuttle valve
12. Right brake
31. Left two speed motor 35. Brake/two speed valve
1 04/05/2005
A.10.A / 12

Table of Contents

Related product manuals