EasyManua.ls Logo

Case WX185 - Page 119

Case WX185
375 pages
Print Icon
To Next Page IconTo Next Page
To Next Page IconTo Next Page
To Previous Page IconTo Previous Page
To Previous Page IconTo Previous Page
Loading...
SECTION 3
3-8
F34250
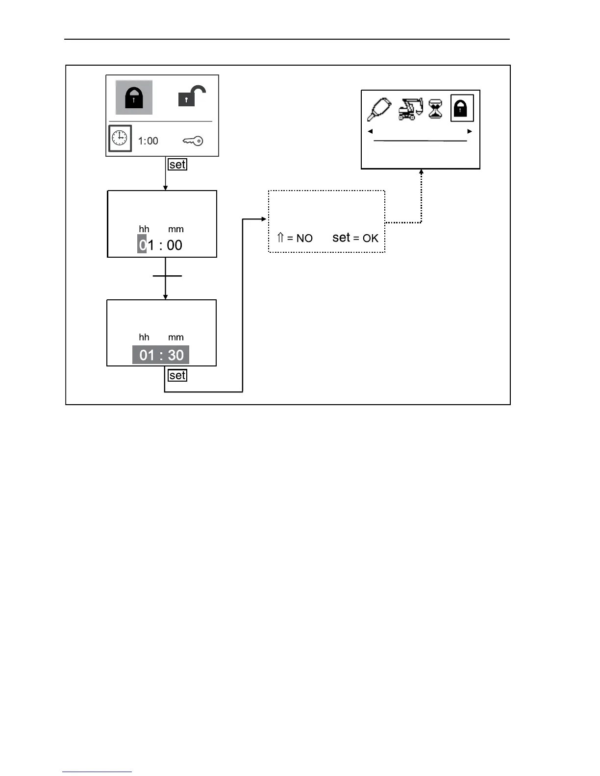
CODE
Save changes?
Active code after:
Active code after:
minimum = 1 minute
maximum = 6 hours
Data input
5

Table of Contents