EasyManua.ls Logo

Casio TK-6500 - Mode Switch Circuit Diagram

Casio TK-6500
108 pages
Print Icon
To Next Page IconTo Next Page
To Next Page IconTo Next Page
To Previous Page IconTo Previous Page
To Previous Page IconTo Previous Page
Loading...
- 81 -
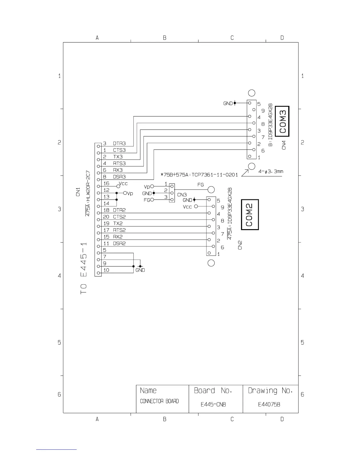
NOTE: COM3 is not used for TK-6500.

Related product manuals