EasyManua.ls Logo

Celera Motion MicroE ChipEncoder Series - Page 24

Default Icon
30 pages
Print Icon
To Next Page IconTo Next Page
To Next Page IconTo Next Page
To Previous Page IconTo Previous Page
To Previous Page IconTo Previous Page
Loading...
Appendix
IM-ChipEncoder-Series-Rev. 2 Page 23 ©2022 Celera Motion
ChipEncoder Series
Installation Manual and Reference Guide
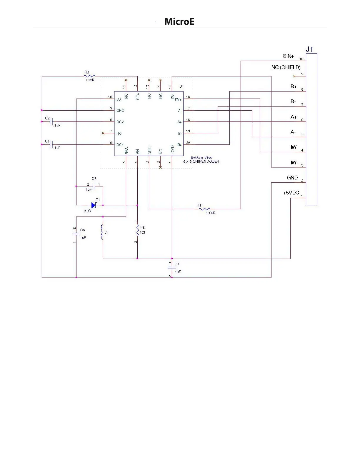
Recommended customer circuit with the CE ChipEncoder: