EasyManua.ls Logo

Celera Motion MicroE ChipEncoder Series - Page 26

Default Icon
30 pages
Print Icon
To Next Page IconTo Next Page
To Next Page IconTo Next Page
To Previous Page IconTo Previous Page
To Previous Page IconTo Previous Page
Loading...
Appendix
IM-ChipEncoder-Series-Rev. 2 Page 25 ©2022 Celera Motion
ChipEncoder Series
Installation Manual and Reference Guide
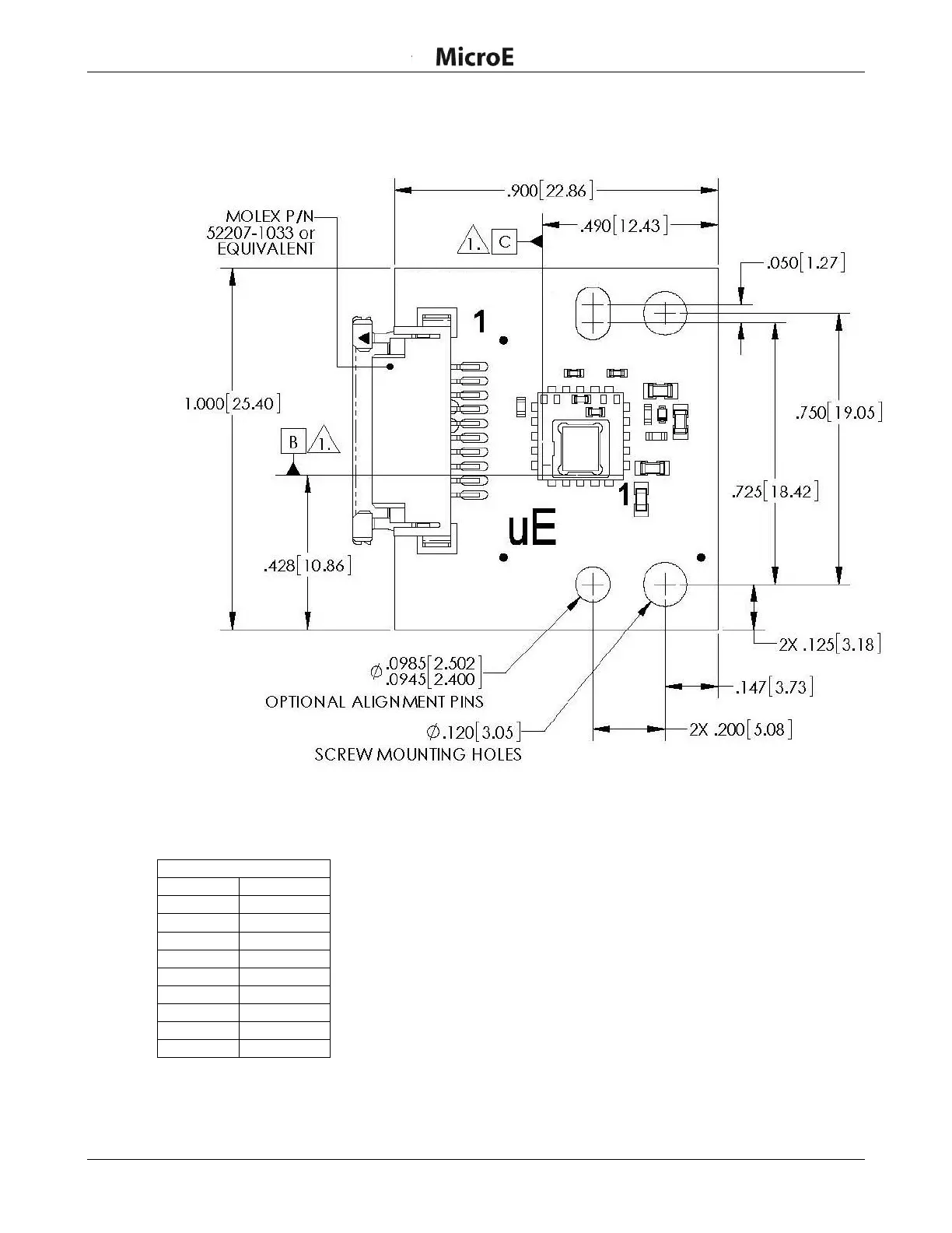
Evaluation PCB: CE-40GC-PCB (6x6 ChipEncoder)
Connector Pinouts
PCB connector pinouts for CE300-4, CE300-40, and CE-40GC:
10 Pin ZIF Connector
1
+5VDC
2
Gnd
3
IW-
4
IW+
5
A-
6
A+
7
B-
8
B+
9
NC
10
Sin+