EasyManua.ls Logo

Cerlic BB2 - 8. Wiring Connections

Cerlic BB2
24 pages
Print Icon
To Next Page IconTo Next Page
To Next Page IconTo Next Page
To Previous Page IconTo Previous Page
To Previous Page IconTo Previous Page
Loading...
- 6 -
7. Mounting of BB2 control box
The BB2 may be mounted on a mounting plate to a wall or handrail.
The mounting plate comes with a sun shield, so it can also be used for weather
protection in outdoor installations.
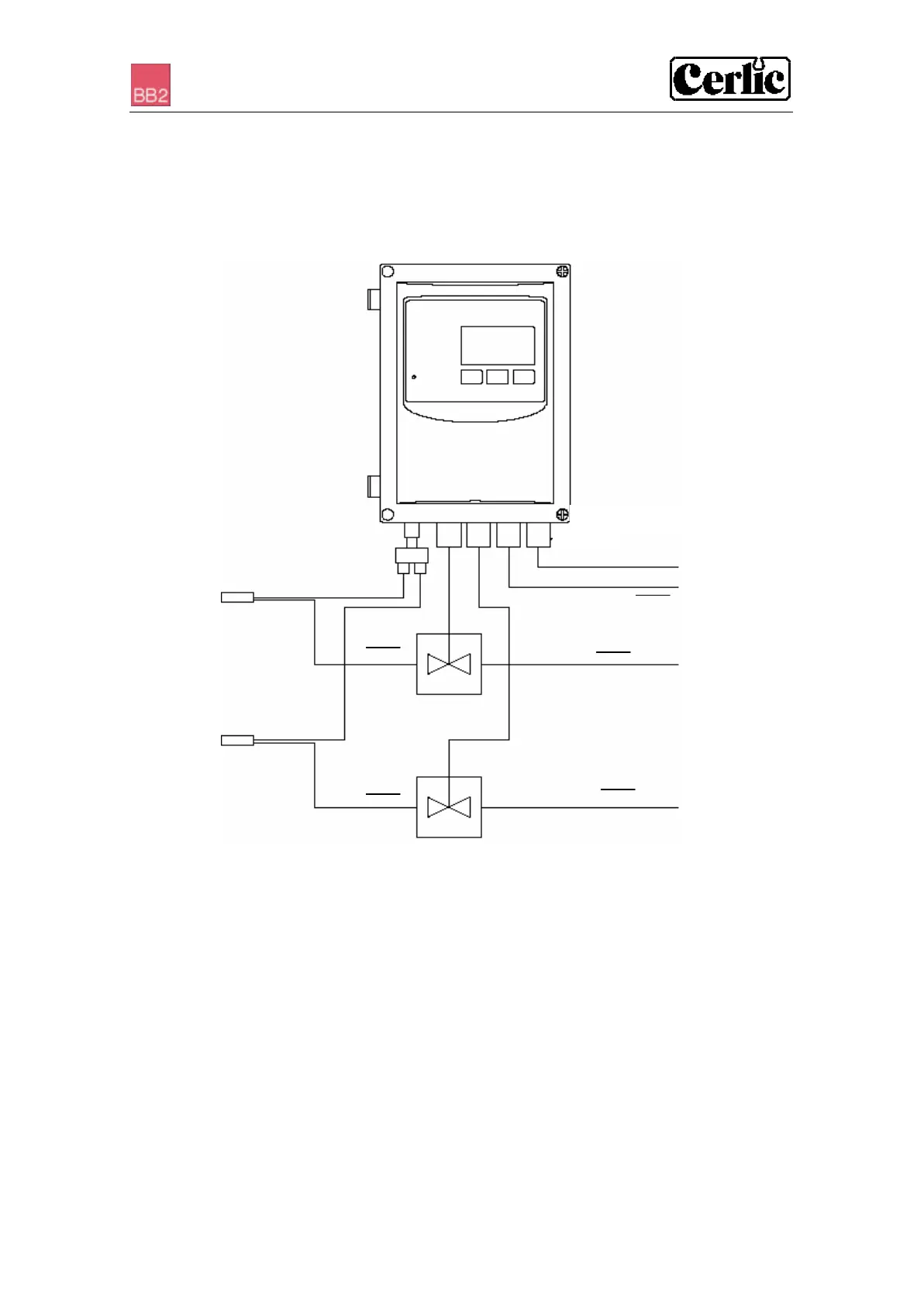
Figure 1 Connection of BB2 Control box with two sensors and two flushing valves
8. Wiring Connections
BB2 is connected to the power using a 3-lead cable approved for the rated current and
voltage. We recommend that the power be connected with an external on/off switch.
The sensors are connected to the BB2 box using 33ft. (10m) Orange cables (O2X and
ITX sensors have a 33ft. (10m) black cable attached). If the standard cable length is not
sufficient several cables may be connected in series. In the event that two or more
sensors are connected to the same control box, then the Y-splitter is needed.
There are two analog 4-20 mA outputs to transfer the measuring results from the BB2
box to a SCADA, DCS, or other type of system. The use of the two outputs is
Solenoid Valve 2
Power to BB2
mA Outputs to
Control System or DSC
Se
nsor 1
Flushing Water/Air
6Bar/90 psi
Sensor 2
Flushing Water/Air
6Bar/90 psi
Splitter
Solenoid Valve 1