EasyManua.ls Logo

CHART ULTRADOSER 2K - Page 21

CHART ULTRADOSER 2K
66 pages
Print Icon
To Next Page IconTo Next Page
To Next Page IconTo Next Page
To Previous Page IconTo Previous Page
To Previous Page IconTo Previous Page
Loading...
The encoder location should be accessible for installation and maintenance. The location may be a spindle
to spindle connection where the encoder spindle may be integrated with the filler/capper spindle. If a gear
is chosen which is not one-to-one with the container pockets the appropriate gearing ratios must be
provided to ensure optimum dosing results.
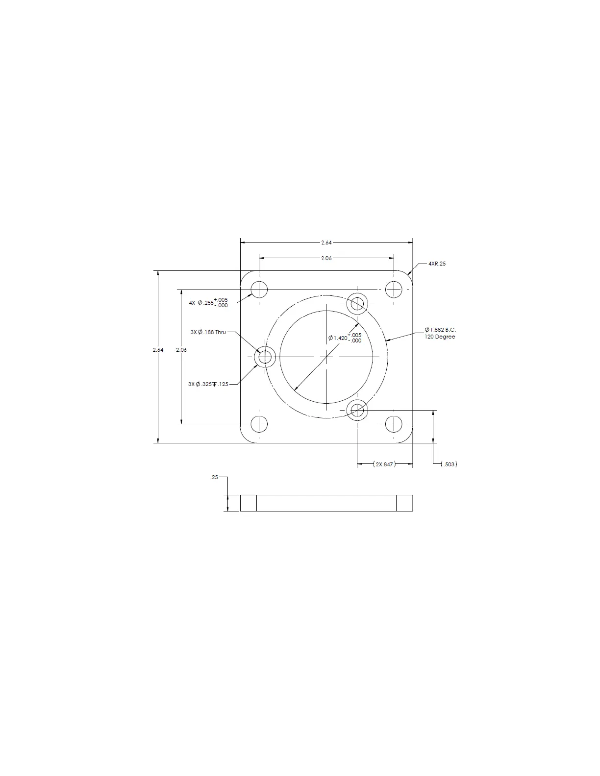
Encoder Mounting Information
Ensure encoder is properly mounted and securely affixed so it will perform at its optimum capability.
Follow the drawing below and mount with suitable hardware. Grounding is achieved by proper mounting
of the encoder case. Ensure good electrical contact is made from the mounting flanges to an earthed
bracket or other grounded mounting means. A mounting bracket (drawing below) is provided by Chart to
assist in installation.

Related product manuals