EasyManua.ls Logo

Citizen CLP-621 - Page 195

Citizen CLP-621
217 pages
Print Icon
To Next Page IconTo Next Page
To Next Page IconTo Next Page
To Previous Page IconTo Previous Page
To Previous Page IconTo Previous Page
Loading...
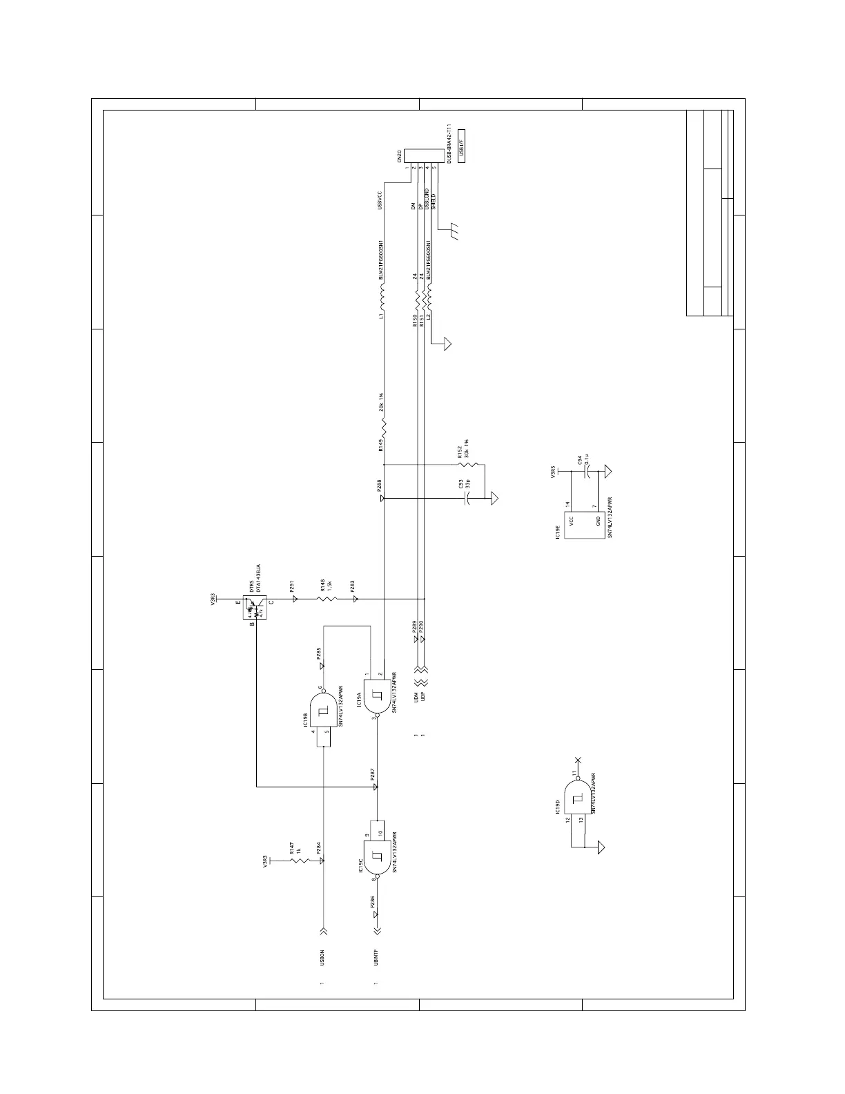
Chapter 6. Circuit Diagrams
Circuit Diagram (Main PCB 14/14) [USB I/F]
1 2 3 4 5
6 78
A
B
C
D
8
76
54321
D
C
B
A
Title
Number RevisionSize
A4
Date: Sheet of
File: Drawn By:
14/14
A
JM66801-**/JM66802-**
22-Nov.-2004
MAIN PCB / USB CIRCUIT (14/14)
6-17 CLP-621 & CLP-631

Other manuals for Citizen CLP-621

Related product manuals