EasyManua.ls Logo

Clarion NX409 - Page 52

Clarion NX409
57 pages
To Next Page IconTo Next Page
To Next Page IconTo Next Page
To Previous Page IconTo Previous Page
To Previous Page IconTo Previous Page
Loading...
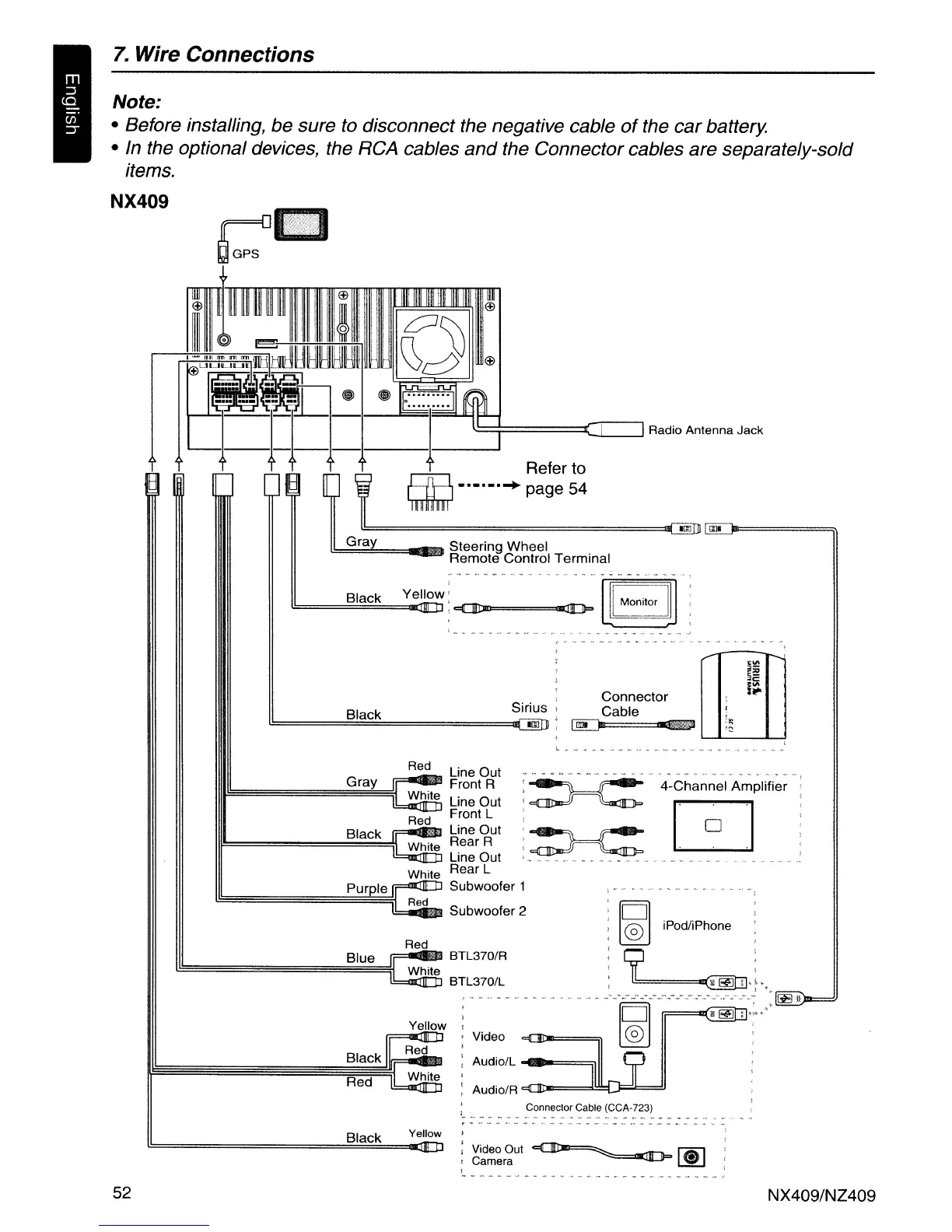
7.
Wire Connections
Note:
Before installing, be sure to disconnect the negative cable
of
the car battery.
In the optional devices, the RCA cables
and
the Connector cables are separately-sold
items.
NX409
l!==:=====Cj==:J
Radio Antenna Jack
Refer to
W page 54
l!:::::===============~
I]rnii!I:Jn!'======;-,
l!:::::G==ra~==-_
Steering
Wheel
Remote
Control
Terminal
-
----_
..... -
Black
Yellow
iPod/iPhone
4-Channel
Amplifier
Line
Out
Front R
Line
Out
Front L
Line
Out
Rear R
Line
Out
Rear L
Subwoofer
1
Red
Blue
BTL370/R
White
I
BTL370/L
"'~"-"'~'-~'
..
_-'
Yellow
Video
Black
Red
Audio/L
Red
White
Audio/R
Black
Red
Gray
White
Red
Black
White
Pur
Ie
Red
~
_ _ _ __
C~n.n~c~o~
Ca.bl~
~CC~-?:3).
_ . _
r-
,,.'--.-.,,"_
....
__
".~
.""~"'""-'~_.
'"'
__
Black
Yellow
;
Video
Out
c:CJillD===... ~
IIlll\
I
,Camera -
~
..
t
••
__
._.
__
....
_~
._~""~,
.~
__
0
_".~._.~.,'
52
NX409/NZ409

Related product manuals