EasyManua.ls Logo

Clorius Controls ER 2022S - Wiring ER2022 A & ER2022 SA

Clorius Controls ER 2022S
69 pages
Print Icon
To Next Page IconTo Next Page
To Next Page IconTo Next Page
To Previous Page IconTo Previous Page
To Previous Page IconTo Previous Page
Loading...
Compact controller ER 2022S and ER 2022SA
www.clori uscontrols.com
64 of 69
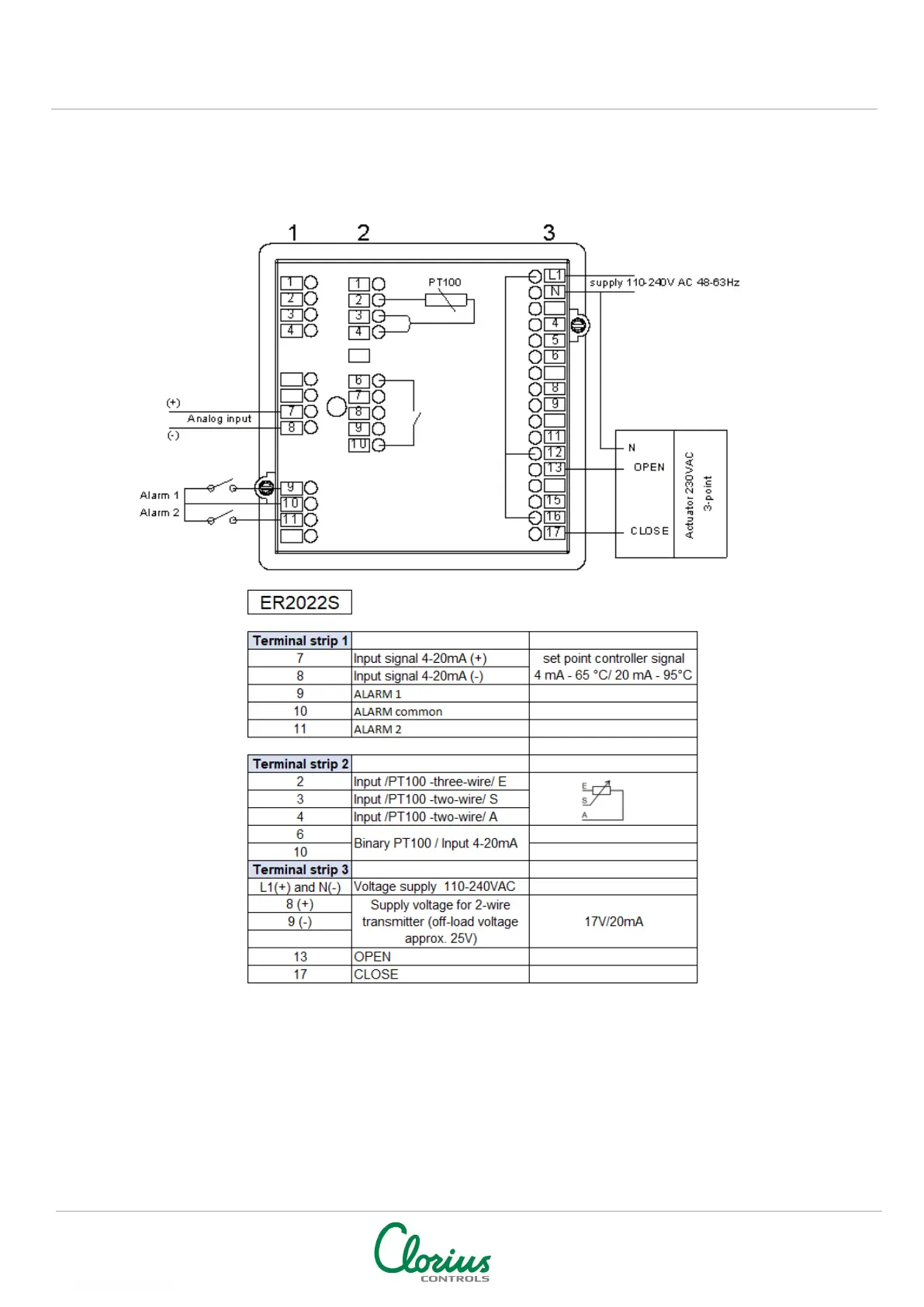
13. Wiring ER2022S – 3-points
Controller ER2022S – 3-points
Shielded cables should been used.
It is recommended to use the cable end clamps when installing the wire.
ELECTRIC CONNECTION
at the back, via screw terminals, conductor cross-section up to 2.5 mm2
with core ferrules (length: 10mm)
Please refer to the instruction depending on the type of actuator