EasyManua.ls Logo

Clorius Controls ER 2022S - Page 66

Clorius Controls ER 2022S
69 pages
Print Icon
To Next Page IconTo Next Page
To Next Page IconTo Next Page
To Previous Page IconTo Previous Page
To Previous Page IconTo Previous Page
Loading...
Compact controller ER 2022S and ER 2022SA
www.clori uscontrols.com
66 of 69
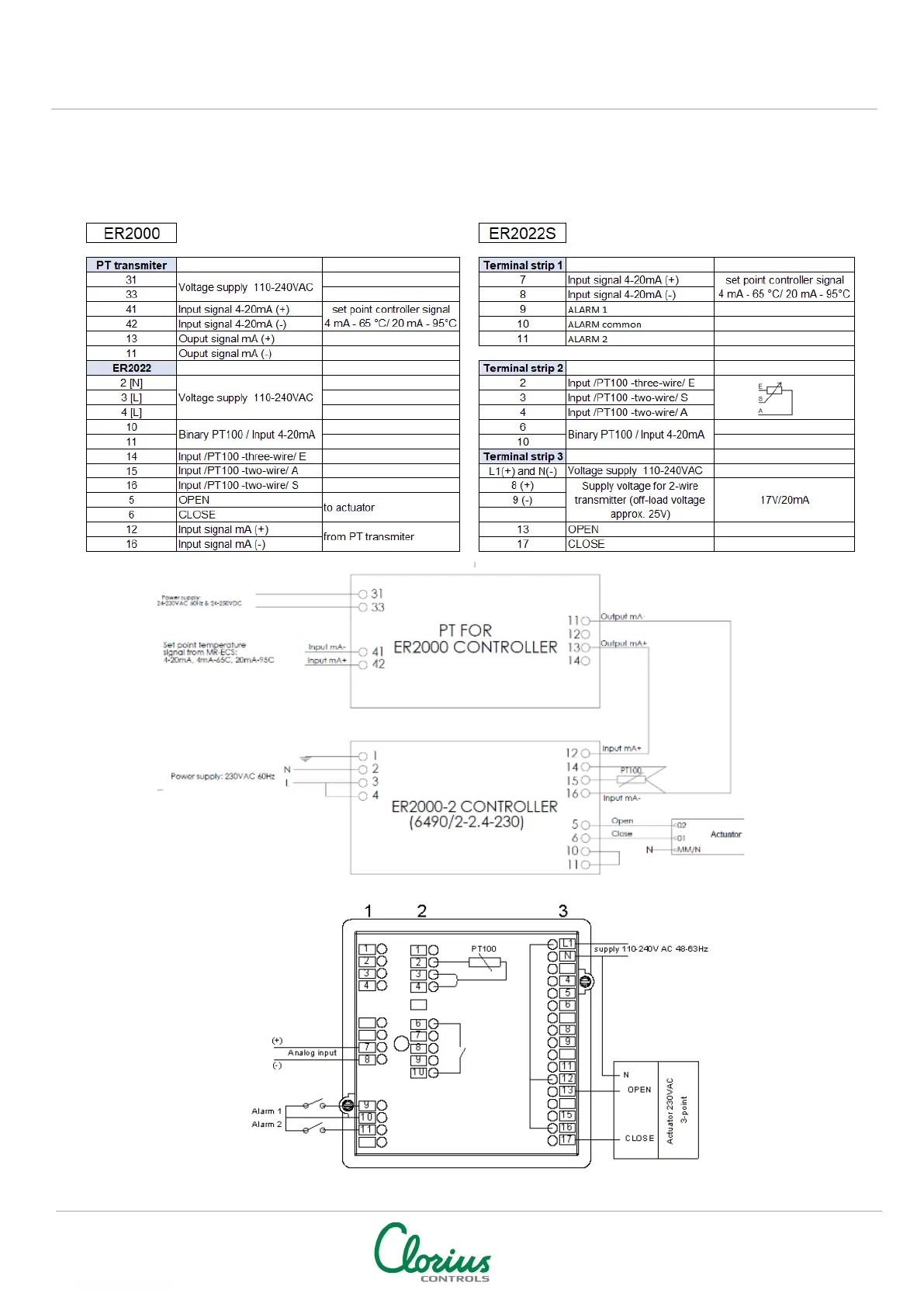
13. Wiring ER2022S – 3-points
Replacing R2000 by ER2022S