EasyManua.ls Logo

ComAp IL-NT MRS15 - Current Measurement

ComAp IL-NT MRS15
63 pages
Print Icon
To Next Page IconTo Next Page
To Next Page IconTo Next Page
To Previous Page IconTo Previous Page
To Previous Page IconTo Previous Page
Loading...
InteliLite
NT
– MRS3,4, AMF8,9, SW version 1.4, ©ComAp – October 2008 24
IL-NT-MRS3,4-AMF8,9-1.4-Reference Guide.pdf
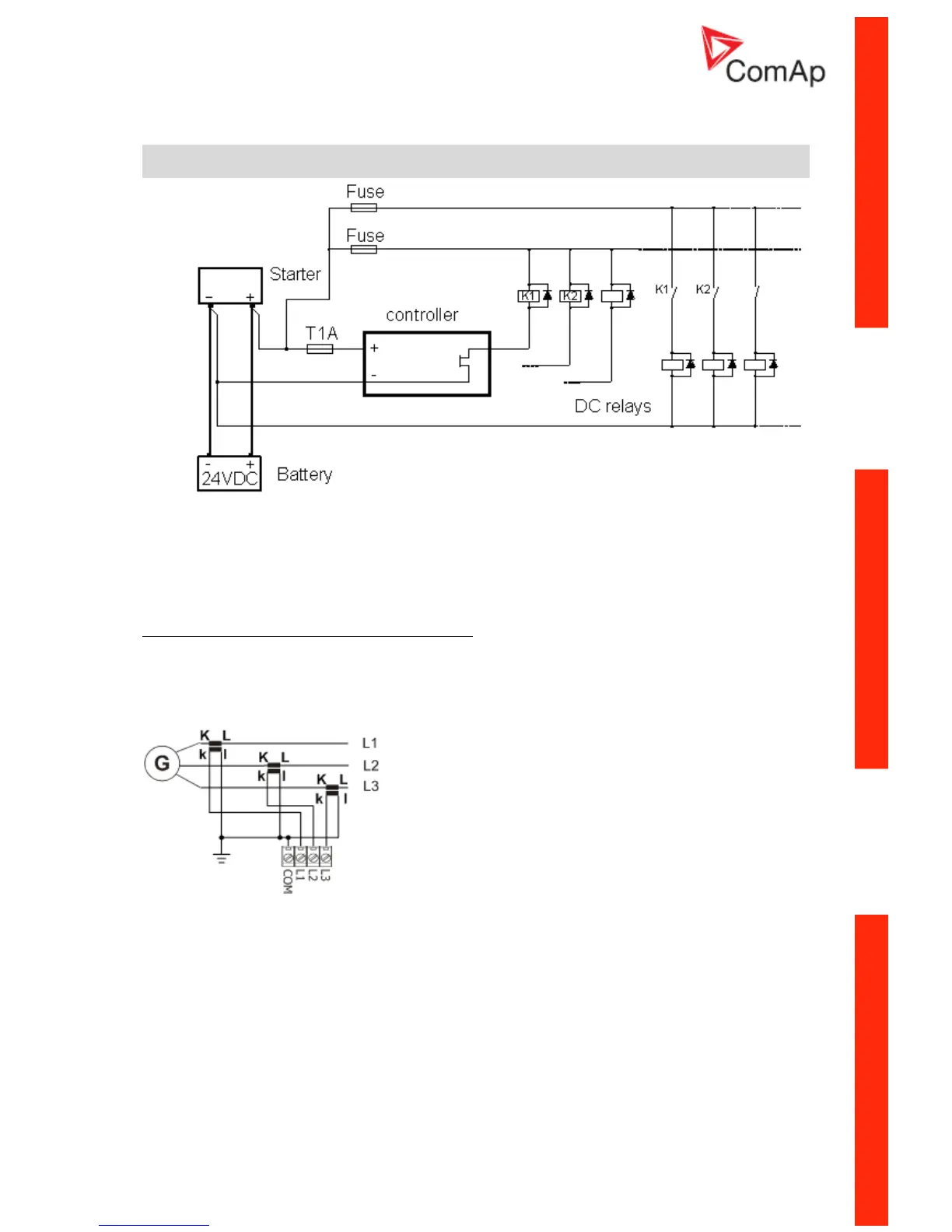
Binary output protections
Do not connect binary outputs directly to DC relays without protection diodes, even if they are not
connected directly to controller outputs.
RPM reading
RPM are readed from frequency of generator voltage. The frequency and consequently the RPM are
readed when generator voltage is higher than 10V and RPM are readed only if frequency si higher
than 1Hz.
Current measurement
To ensure proper function
Use cables of 2,5mm
2
Use transformers to 5A
Connect CT according to following drawings

Table of Contents

Related product manuals