EasyManua.ls Logo

COMBAT CTU-90 - CTUB;C Wiring Diagram (Models 75-115)

COMBAT CTU-90
54 pages
Print Icon
To Next Page IconTo Next Page
To Next Page IconTo Next Page
To Previous Page IconTo Previous Page
To Previous Page IconTo Previous Page
Loading...
COMBAT
®
CTU UNIT HEATERS INSTALLATION OPERATION AND SER VICE MANUAL
22 of 46
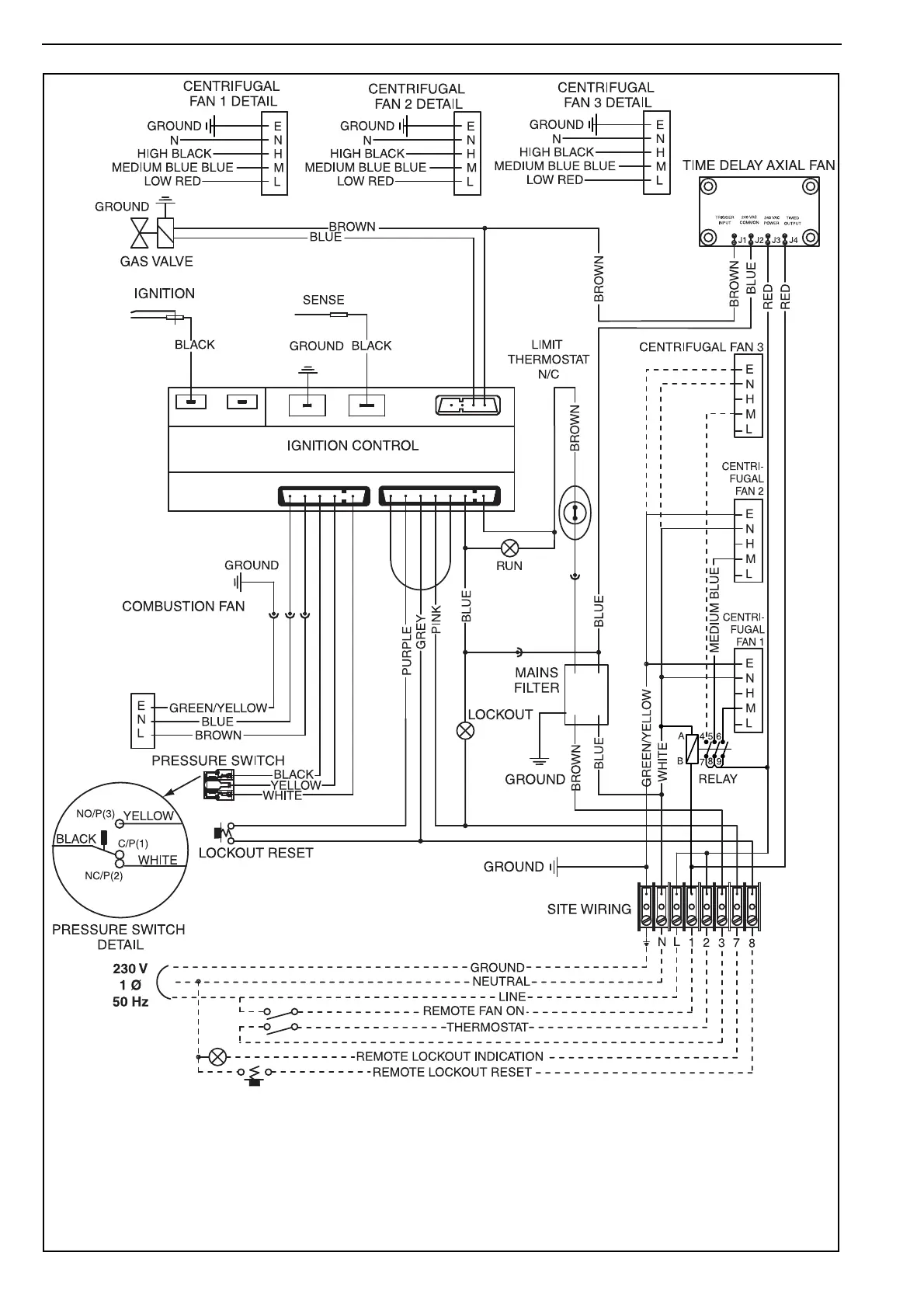
11.4 CTUB/C Wiring Diagram (Models 75-115)
NOTE:
Unused speed setting wires for the
centrifugal fan must be isolated and
insulated. If any of the original wire
supplied with the heater must be
replaced, it must be replaced with
wiring material having a temperature
rating of at least 105° C and 600 volts.

Table of Contents

Related product manuals