EasyManua.ls Logo

Commodore MPS-801 - Schematic

Commodore MPS-801
34 pages
Print Icon
To Next Page IconTo Next Page
To Next Page IconTo Next Page
To Previous Page IconTo Previous Page
To Previous Page IconTo Previous Page
Loading...
J\.)
e
CN2
(ATNID
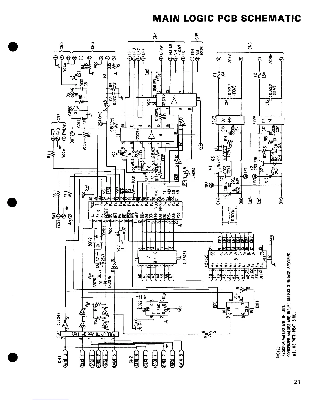
(NOTE)
RA
1
(lS04)
7-
.~6
~
"5
12
RESIST!Jt
VALUES
AIlE
IN
[kQJ.
( lS373)
00m9
.,
...
v
0,
O.
6
0,
4
__
_
CONDENSER
VALUES
A~
IN£JJfl
UNLESS
OTHEI1WISE
SPECIFIED.
*1, *2
WITU
HEAT
SINK.
e
SlY
I
n6
I
rrsTQ)---
~
R71
4/5
(2)
"""L_-.
-r--r
JoE~~l
TP3
e
CN3
OM
s:
,.
-
J
1
7 1
('Co/VI
J 2
~--4--<D
IIC
...
8 I
""ml}
0
,
_""'-
___
--J
II
---.~
VM
eN!'!
,.,.,.
u)_
{14M
W,
-
S2VB
Fl.
n
~~I
I
1.6A·
."
C14'
n
:~:
a022J]
AC9V
1
(IOOV)
m
en
eNG
n
S2VB
F2
...
C171
D5
]
C13!
~
m
.1-4
.
:~:
O.022JJ
/IC?!)V
:l1li
I
(mv)
;::III
I
,.
-I
-
n

Other manuals for Commodore MPS-801

Related product manuals