EasyManua.ls Logo

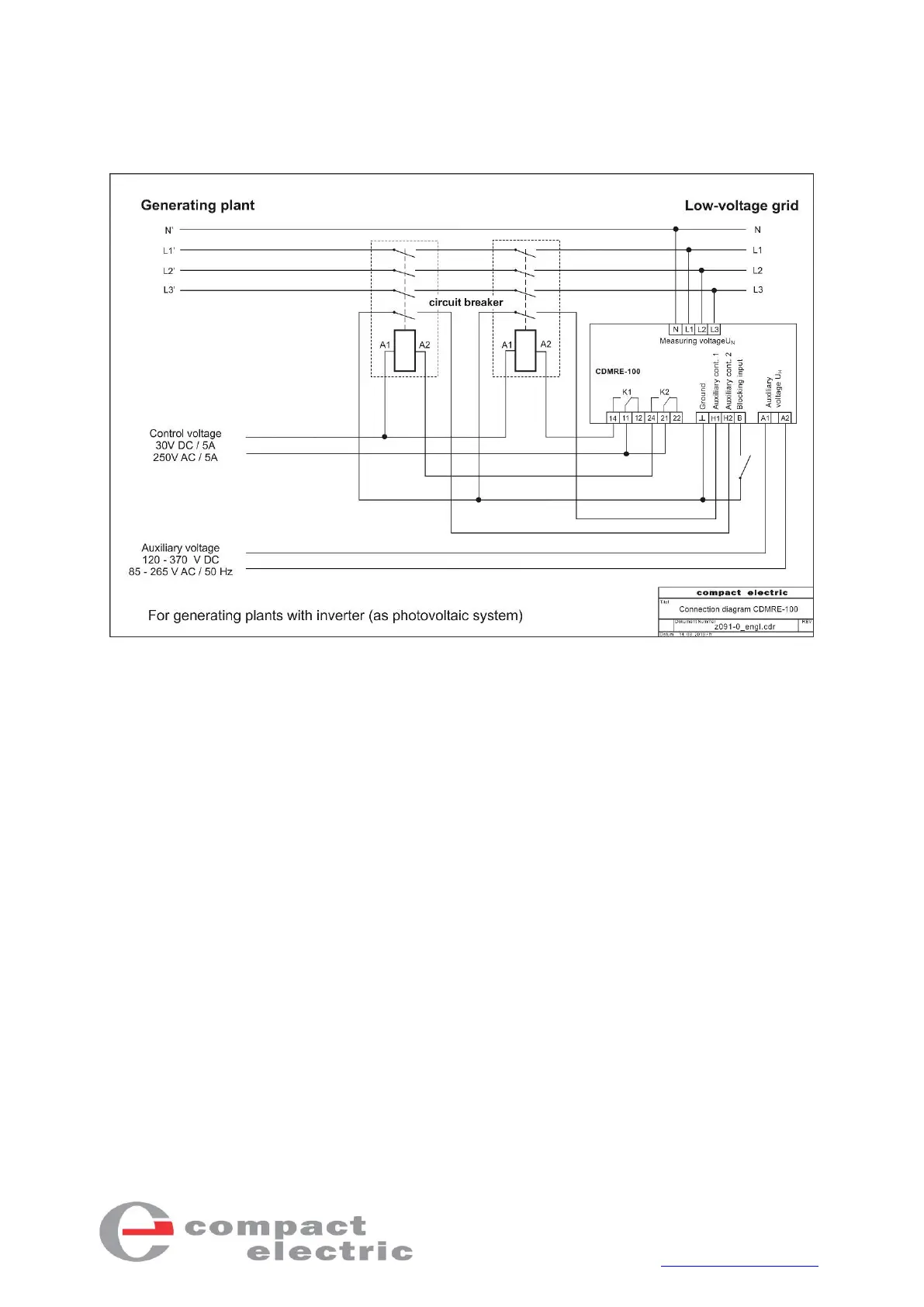
Compact Electric CDMRE 100 - Wiring Example

Default Icon
25 pages
Print Icon
To Previous Page IconTo Previous Page
To Previous Page IconTo Previous Page
Loading...
compact electric CDMRE 100 Manual Page 25
1230 Vienna, Großmarktstraße 22
PHONE: + 43 / 1 / 815-12-71-0 or + 43 / 1 / 815-51-74-0
FAX: + 43 / 1 / 813-64-21-21
Homepage: http://www.compactelectric.at
CDMRE100e_man_A5.docx
5. WIRING EXAMPLE