EasyManua.ls Logo

Corghi ProLine 60 - Page 118

Corghi ProLine 60
Print Icon
To Next Page IconTo Next Page
To Next Page IconTo Next Page
To Previous Page IconTo Previous Page
To Previous Page IconTo Previous Page
Loading...
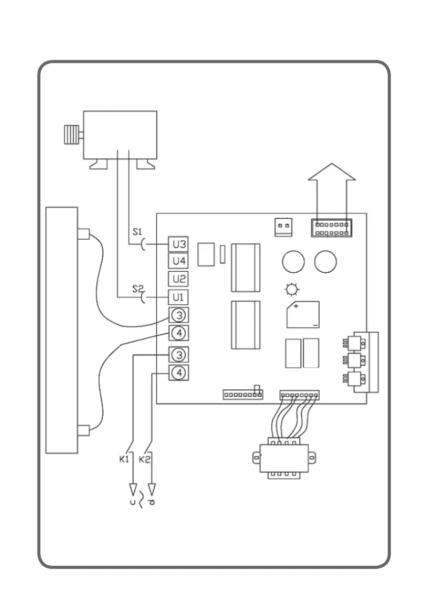
118 ProLine 60 – Betriebsanleitung
(Zur Startfreigabe NUR die START-Taste drücken und die
Konfiguration gemäß den Angaben auf S. 113 und 114 dieses Handbuchs durchführen.)
MOTOR
AN CPU
STROM
TRANSFORMATOR
BREMSWIDERSTAND
SICHE-
RUNG
SICHE-
RUNG

Table of Contents

Related product manuals