EasyManua.ls Logo

Corghi ProLine 60 - Esquema General de la Instalación Eléctrica

Corghi ProLine 60
Print Icon
To Next Page IconTo Next Page
To Next Page IconTo Next Page
To Previous Page IconTo Previous Page
To Previous Page IconTo Previous Page
Loading...
ProLine 60 - Manual del Operador 147
ES
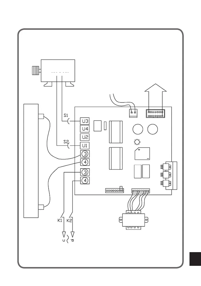
11. ESQUEMA GENERAL DE LA INSTALACIÓN ELÉCTRICA
MOTOR
INTERRUPTOR DE
CARRERA
A LA CPU
POTENCIA
TRANSFORMADOR
RESISTENCIA DEL FRENO
FUSIBLE
FUSIBLE

Table of Contents

Related product manuals