EasyManua.ls Logo

Corghi ProLine 60 - Schemi Elettrici

Corghi ProLine 60
Print Icon
To Next Page IconTo Next Page
To Next Page IconTo Next Page
To Previous Page IconTo Previous Page
To Previous Page IconTo Previous Page
Loading...
ProLine 60 - Manuale d'uso 27
I
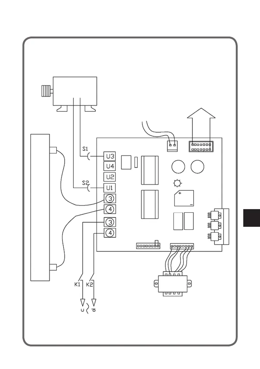
11. SCHEMI ELETTRICI
MOTORE
INTERRUTTORE DI
CORSA
ALLA CPU
ALIMENTAZIONE
TRASFORMATORE
RESISTENZA DI FRENATURA
FUSIBILE
FUSIBILE

Table of Contents

Related product manuals