EasyManua.ls Logo

Corghi ProLine 60 - Hauptstromlaufplan

Corghi ProLine 60
Print Icon
To Next Page IconTo Next Page
To Next Page IconTo Next Page
To Previous Page IconTo Previous Page
To Previous Page IconTo Previous Page
Loading...
ProLine 60 – Betriebsanleitung 117
DE
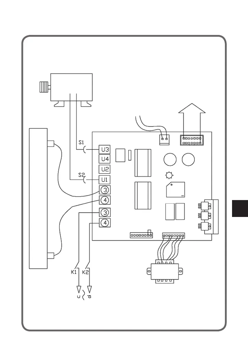
11. HAUPTSTROMLAUFPLAN
MOTOR
FAHR-
SCHALTER
AN CPU
STROM
TRANSFORMATOR
BREMSWIDERSTAND
SICHE-
RUNG
SICHE-
RUNG

Table of Contents

Related product manuals