EasyManua.ls Logo

Corghi ProLine 60 - Page 28

Corghi ProLine 60
Print Icon
To Next Page IconTo Next Page
To Next Page IconTo Next Page
To Previous Page IconTo Previous Page
To Previous Page IconTo Previous Page
Loading...
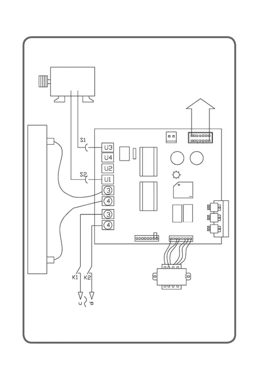
28 ProLine 60 - Manuale d'uso
(Per abilitare il lancio, premere SOLO il tasto di avvio ed eseguire
la configurazione mostrata a pagina 23 e pagina 24 del manuale d'uso).
MOTORE
ALLA CPU
ALIMENTAZIONE
TRASFORMATORE
RESISTENZA DI FRENATURA
FUSIBILE
FUSIBILE

Table of Contents

Related product manuals