EasyManua.ls Logo

Corghi ProLine 60 - Page 148

Corghi ProLine 60
Print Icon
To Next Page IconTo Next Page
To Next Page IconTo Next Page
To Previous Page IconTo Previous Page
To Previous Page IconTo Previous Page
Loading...
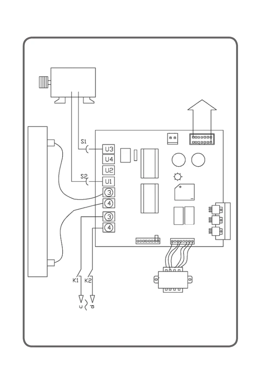
148 ProLine 60 - Manual del Operador
(Para habilitar el lanzamiento SOLO presione el botón INICIO y realice
la configuración que se muestra en la página 143 y en la página 144 del manual de usuario).
MOTOR
A CUP
POTENCIA
TRANSFORMADOR
RESISTENCIA DEL FRENO
FUSIBLE
FUSIBLE

Table of Contents

Related product manuals