EasyManua.ls Logo

Corken Z2000 - Page 32

Default Icon
48 pages
Print Icon
To Next Page IconTo Next Page
To Next Page IconTo Next Page
To Previous Page IconTo Previous Page
To Previous Page IconTo Previous Page
Loading...
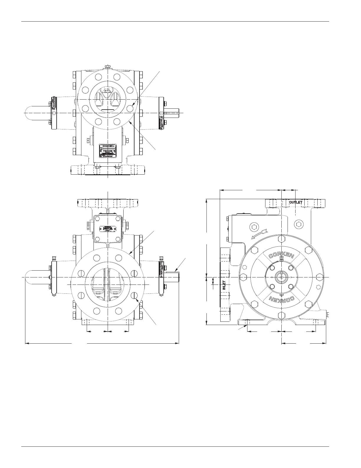
Appendix DOutline Dimensions for Model Z4500
Outlet
3" R.F. 300#
ANSI flange
Inlet
4" R.F. 300#
ANSI flange
8-Ø .875 (2.2)
on a 7-7/8" B.C.
8-Ø .875 (2.2)
on a 6-5/8" B.C.
4-5/8 (1.587)
mounting holes
5/16"
square key
2.875
(7.3)
2.875
(7.3)
21.121
(53.6)
6.5
(16.5)
4.688
(11.9)
4.688
(11.9)
6.125
(15.6)
8.469
(21.5)
1.875
(4.8)
10.75
(27.3)
1. 0
(2.5)
All dimensions are in inches (centimeters).
32

Related product manuals