EasyManua.ls Logo

CPS SCA25KTL-DO/US-208 - Schematic Diagram and Circuit Design

CPS SCA25KTL-DO/US-208
148 pages
Print Icon
To Next Page IconTo Next Page
To Next Page IconTo Next Page
To Previous Page IconTo Previous Page
To Previous Page IconTo Previous Page
Loading...
14
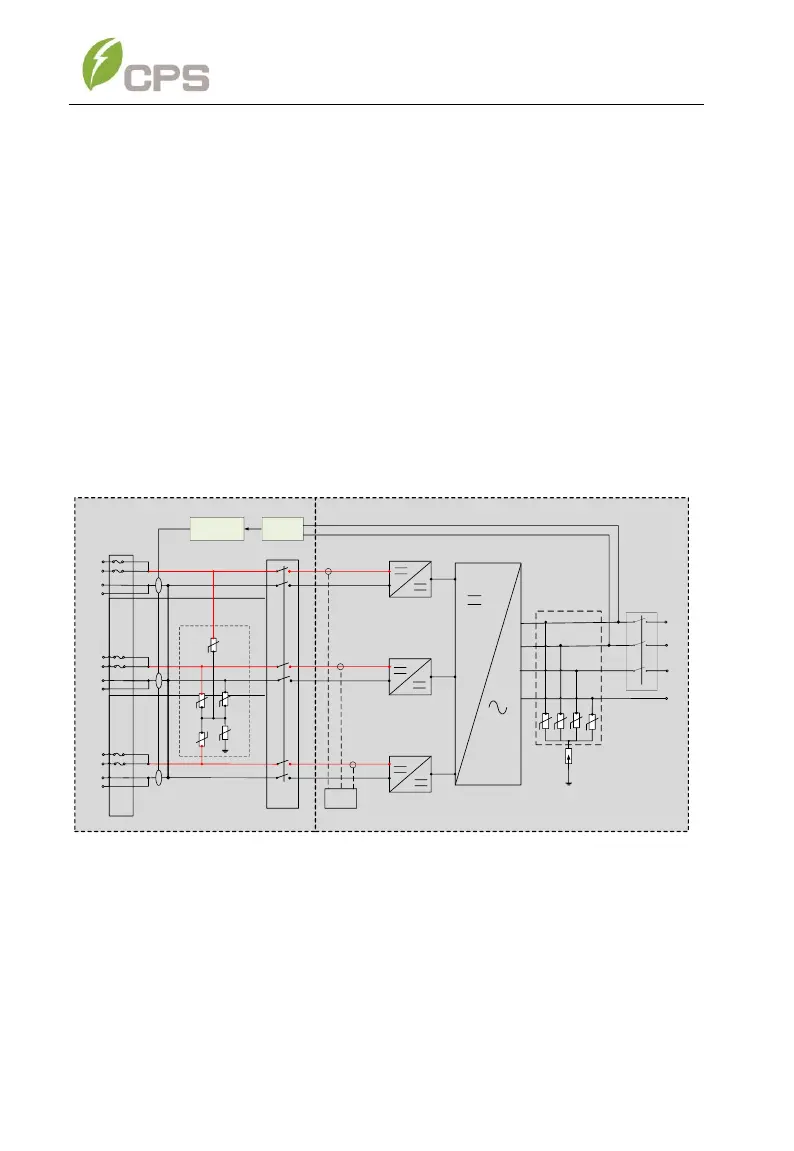
2.6 Schematic Diagram and Circuit Design
The basic electrical schematic diagram of the CPS SCA 25KTL-DO/US-208
3-Phase String Inverters are shown in Error! Reference source not
found.. The input from PV source circuits passes through surge protection
circuitry, DC EMI wave filters, and independent DC-DC boost circuitry to
achieve maximum power point tracking and boost the voltages to a common
DC bus. The inverter uses line voltage and frequency measurements to
synchronize to the grid and converts the available PV energy to AC power
by injecting balanced 3-phase AC current into the electric utility grid. Any
high frequency AC component is removed by passing through a two-stage
relay and EMI wave filter to produce high quality AC power.
WIRE BOX INVERTER POWER HEAD
L1
L2
L3
N
PV1+
PV1+
PV1-
PV1-
MPPT1
MPPT2
AC
Output
PV Input
PV2+
PV2+
PV2-
PV2-
AC
Switch
Fuses
MPPT3
PV3+
PV3+
PV3-
PV3-
DC SPD
PV1+
DC Switch
Three
level
inverter
AFD
PV2+
PV3+
PV-
PE
Type MOV
Transmitter
Vin
GND
AC/DC Power
Supply
Figure 2-3 CPS SCA25KTL-DO/US-208 Inverter Schematic, RSD Wire-box
The Rapid Shutdown wirebox has been designed specifically for
2017/2020 NEC Rapid Shutdown applications. This wirebox includes a
powerline communications transmitter for use with APS RSD-S-PLC/RSD-D
products. The integrated PLC transmitter is powered by AC at the inverter
output. This PLC transmitter sends a “keep alive” signal to the MLPE devices

Table of Contents

Related product manuals