EasyManua.ls Logo

Craftsman 113.22521 - Craftsman Belt and Disc Sander

Craftsman 113.22521
28 pages
Print Icon
To Next Page IconTo Next Page
To Next Page IconTo Next Page
To Previous Page IconTo Previous Page
To Previous Page IconTo Previous Page
Loading...
2
4
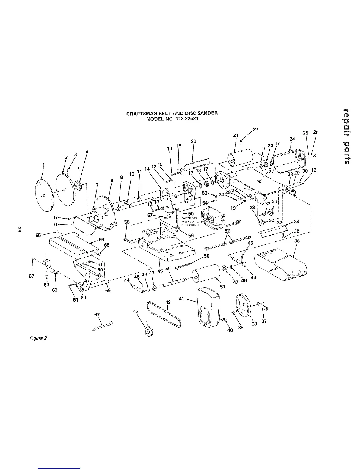
CRAFTSMAN BELT AND DISC SANDER
MODEL NO. 113.22521
20
15
19
24
25
26
19
,=_
=O
Q
_o
=O
Q
U=D
o_
63
62
61 60
Figure 2
7
I
65
8
67
58
J
55
SWITCH BOX
ASSEMBLY
19 33!
44
47
51

Related product manuals