EasyManua.ls Logo

Curtiss-Wright EXLAR Tritex II AC - Grounding

Curtiss-Wright EXLAR Tritex II AC
89 pages
Print Icon
To Next Page IconTo Next Page
To Next Page IconTo Next Page
To Previous Page IconTo Previous Page
To Previous Page IconTo Previous Page
Loading...
Curtiss-Wright | Tritex II AC 90, 115 Rev. X PN39892 7/12/22
43
Grounding
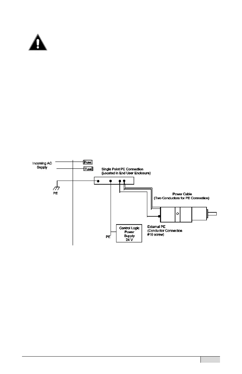
Fixed Protective Earth (PE) connections are required for
human safety as well as proper operation. PE connections
must not be fused or interrupted. Failure to follow proper PE wiring can
cause death or serious injury. This equipment has high earth leakage
current and requires a redundant PE connection to comply with EU Low
Voltage Directive.
There are three PE terminals on the actuator, two on the main terminal
block under the wiring access cover, and a grounding screw on the rear.
Always use the PE terminal next to the L1 terminal on the main terminal
block. Either remaining terminal may be used for a redundant PE
connection where needed. For actuators with connectors, the rear
grounding screw can be used as a second PE connection. RF emissions
may be best limited by using the rear grounding screw as a second PE
connection.
Grounding Schematic
WARNING

Table of Contents