EasyManua.ls Logo

Curtiss-Wright EXLAR Tritex II AC - 4-20 Ma I;O - IA4 Option Board

Curtiss-Wright EXLAR Tritex II AC
89 pages
Print Icon
To Next Page IconTo Next Page
To Next Page IconTo Next Page
To Previous Page IconTo Previous Page
To Previous Page IconTo Previous Page
Loading...
Curtiss-Wright | Tritex II AC 90, 115 Rev. X PN39892 7/12/22
67
4-20 mA I/O - IA4 Option Board
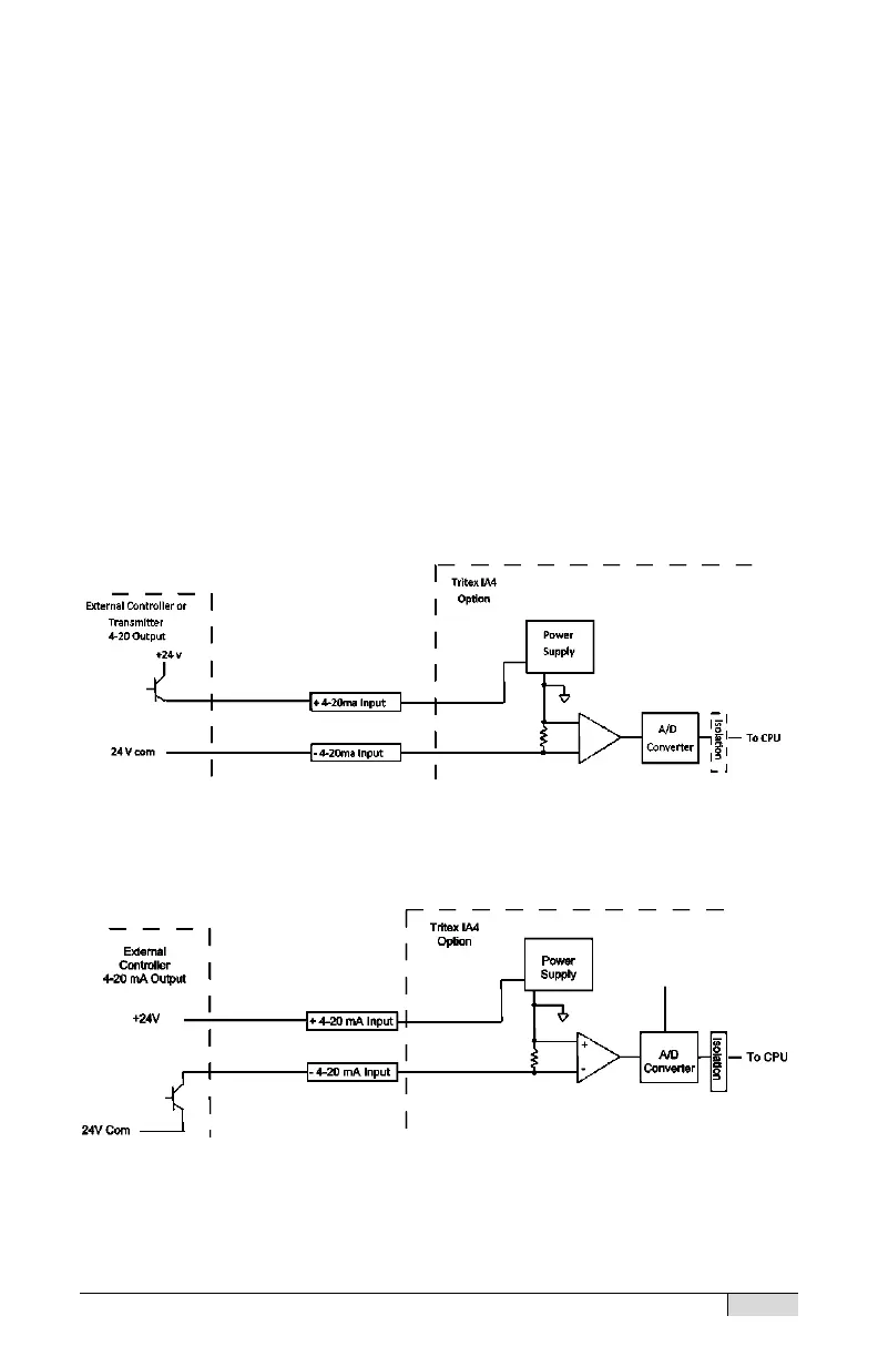
The IA4 option board provides one 4-20 mA isolated analog input and
one 4-20 mA isolated analog output, these I/O circuits “loop powered”
and are isolated from each other as well as all other actuator circuits.
This input and output are in addition to the standard Tritex I/O provided
on the SIO option board (see above). The IA4 Option is not available in
combination with advanced communications options or ABZ Option.
4-20 mA Input
The 4-20 mA input is a 2 wire “loop powered” circuit. Power must be
supplied by the output signal source. A small amount of power from the
4-20 mA signal is used to provide power for the A/D and isolator circuits.
This allows the input to float with the transmitter or loop power supply
without inference from the other Tritex II grounds or commons. Minimum
current is 3 mA to produce a valid input. Liftoff is 7V at 21 mA. The
diagrams below show that connection is the same whether the current
loop is controlled on the high side or low side.
Connection to High Side Controller
Connection to Low Side Controller

Table of Contents