EasyManua.ls Logo

Curtiss-Wright EXLAR Tritex II AC - Page 67

Curtiss-Wright EXLAR Tritex II AC
89 pages
Print Icon
To Next Page IconTo Next Page
To Next Page IconTo Next Page
To Previous Page IconTo Previous Page
To Previous Page IconTo Previous Page
Loading...
Curtiss-Wright | Tritex II AC 90, 115 Rev. X PN39892 7/12/22
66
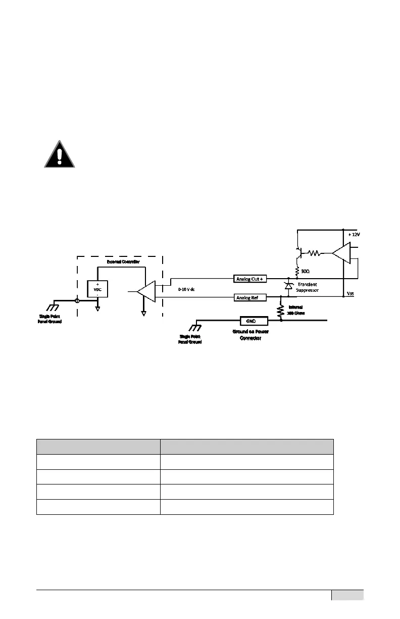
Analog Output
A 0-10 Vdc analog output is provided. The function of this output is
programmable. It can be used for position, velocity or current monitoring.
The intent of this output is to provide a “monitor” type value not a
“control” value, meaning the performance is not intended for the user to
close a high speed position loop around this signal.
The Analog Output is a non-isolated circuit.
Analog out is low impedance to internal ground reference
and PE in the Tritex and must be connected to a ground
(PE) referenced input or a differential or isolated input circuit at the
external controller to prevent damage to Tritex circuits or connected
equipment.
Analog Output Connection
Analog Voltage Output Specifications
Description
Specification
Voltage Output Range
0 10 V dc
Load Range
20 mA max (short circuit protected)
Output resolution
12 bits
Update rate
1.0 msec
CAUTION

Table of Contents