EasyManua.ls Logo

Daikin Enfinity VFC - TYPICAL WIRING DIAGRAMS; Wiring Diagram for PSC Motor, Desuperheater, I;O Module (Hot Gas Reheat)

Daikin Enfinity VFC
44 pages
Print Icon
To Next Page IconTo Next Page
To Next Page IconTo Next Page
To Previous Page IconTo Previous Page
To Previous Page IconTo Previous Page
Loading...
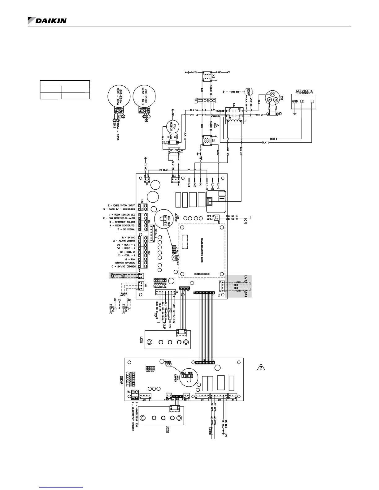
tyPiCal Wiring diagraMs
MicroTech III Unit Controller with PSC Motor, Desuperheater and I/O
Expansion Module for Hot Gas Reheat Control (Unit Sizes 019-070)
208/230/60/1-Phase
DrawingNo.669007101A
*Wiring diagrams are typical. For the latest
drawing version refer to the wiring diagram
located on the inside of the controls access
panel of the unit.
Note: Gray tinted areas in the wiring diagram: Units with factory installed communication module include Discharge Air Temperature (DAT) and Return
Air Temperature (RAT) sensors shipped loose and are field installed. The Leaving Water Temperature (LWT) sensor is factory installed. Entering Water
Temperature (EWT)sensor is included with ECM and/or Secondary Electric Heat.
Table B
208V RED
230V ORG
Notes:
Transformer:
Unusedwiretobecapped.
Legend
Item Description
C1 Capacitor-Compressor
C2 Capacitor-Fan
CC Compressor-Contactor
CM Compressor-Motor
COS CondensateOverowSensor
DAT DischargeAirTempSensor
EWT EnteringWaterTempSensor
HP HighPressureSwitch
HTR ElectricHeaterCartridge
IOEXP I/OExpansionBoard/Harness
ISO-NC IsolationValve-NormallyClosed
ISO-NO IsolationValve-NormallyOpen
DSHP DesuperheaterPump
HGRH 3-WayValveSolenoid
P1 24VACSupplyI/OExpansionBrd.
LED1 LEDAnnunciator/Harness
LED2 LEDAnnunciator/Harness
LP LowPressureSwitch
SLTS SuctionLineTempSensor
LWT LeavingWaterTempSensor
MIII MicroTechIIIMainBoard
R1 Relay-FanMotor
R2 Relay-ElectricHeat
RAT ReturnAirTempSensor
RV ReversingValveSolenoid
TB1 PowerTerminalBlock
X1 Primary24VACTransformer
X2 Secondary24VACTransformer
_____
StandardUnitWiring
____
OptionalWiring(byothers)
IM 930-6 EnnityVerticalWaterSourceHeatPumps 28 www.DaikinApplied.com

Table of Contents

Related product manuals