EasyManua.ls Logo

Daikin Enfinity VFC - 208;230;460;60;3-Phase

Daikin Enfinity VFC
44 pages
Print Icon
To Next Page IconTo Next Page
To Next Page IconTo Next Page
To Previous Page IconTo Previous Page
To Previous Page IconTo Previous Page
Loading...
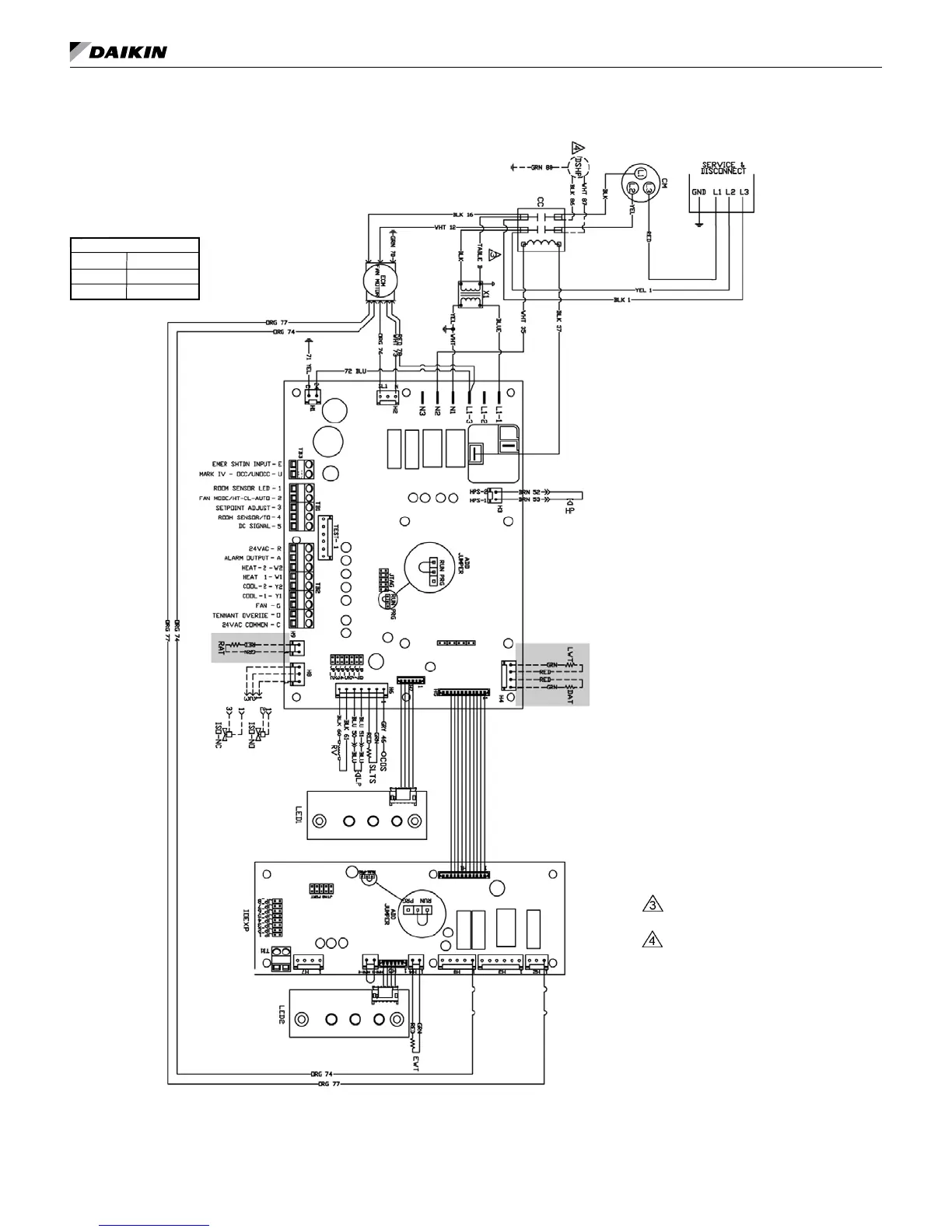
tyPiCal Wiring diagraMs
MicroTech III Unit Controller with Optional ECM Motor, Desuperheater,
and I/O Expansion Module 208/230/460/60/3-Phase
DrawingNo.668991401
Wiring diagrams are typical. For the latest drawing
version refer to the wiring diagram located on the
inside of the controls access panel of the unit.
Note: Gray tinted areas in the wiring diagram: Units with factory installed communication module include Discharge Air Temperature (DAT) and Return
Air Temperature (RAT) sensors shipped loose and are field installed. The Leaving Water Temperature (LWT) sensor is factory installed. Entering Water
Temperature (EWT)sensor is included with ECM and/or Secondary Electric Heat.
Table B
208V RED
230V ORG
460V BLK/RED
Legend
Item Description
C1 Capacitor-Compressor
C2 Capacitor-Fan
CC Compressor-Contactor
CM Compressor-Motor
CDS CondensateOverowSensor
DAT DischargeAirTempSensor
EWT EnteringWaterTempSensor
HP HighPressureSwitch
HTR ElectricHeaterCartridge
IOEXP I/OExpansionBoard/Harness
ISO-NC IsolationValve-NormallyClosed
ISO-NO IsolationValve-NormallyOpen
LED1 LEDAnnunciator/Harness
LED2 LEDAnnunciator/Harness
LP LowPressureSwitch
SLTS SuctionLineTempSensor
LWT LeavingWaterTempSensor
MIII MicroTechIIIMainBoard
R1 Relay-FanMotor
R2 Relay-ElectricHeat
RAT ReturnAirTempSensor
RV ReversingValveSolenoid
TB1 PowerTerminalBlock
X1 Transformer
_____
StandardUnitWiring
____
OptionalWiring(byothers)
Notes:
Transformer:
Unusedwiretobecapped.
Desuperheateronlyavailableon
115-208-230Vapplications.
www.DaikinApplied.com 27 EnnityVerticalWaterSourceHeatPumps IM 930-6

Table of Contents

Related product manuals