EasyManua.ls Logo

Daikin MicroTech III DPS - Page 112

Daikin MicroTech III DPS
114 pages
Print Icon
To Next Page IconTo Next Page
To Next Page IconTo Next Page
To Previous Page IconTo Previous Page
To Previous Page IconTo Previous Page
Loading...
OM 1263 • MICROTECH UNIT CONTROLLER 112 www.DaikinApplied.com

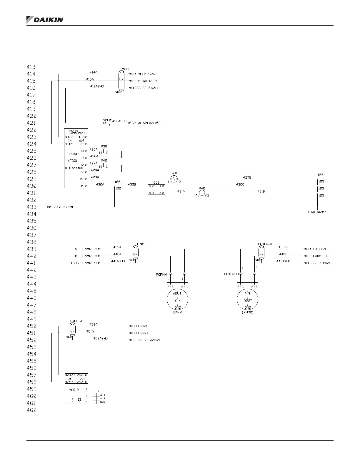
Figure 33 continued: DPS020A, 208V with Hot Water Heat

Table of Contents

Related product manuals