EasyManua.ls Logo

Datalogic DS6400 - Packtrack

Datalogic DS6400
159 pages
Print Icon
To Next Page IconTo Next Page
To Next Page IconTo Next Page
To Previous Page IconTo Previous Page
To Previous Page IconTo Previous Page
Loading...
READING FEATURES
87
9
The decoder will be able to read the label with a tilt angle between + max and - max as
shown in the following figure:
Conveyor
Laser Beam
No Read
No Read
-
+
0°
OK
OK
OK
OK
OK
No Read
Figure 104 Reading Zones with Max
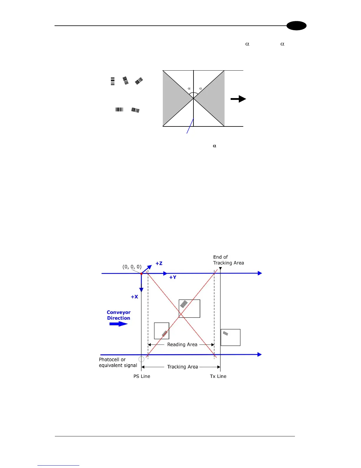
9.3 PACKTRACK™
PackTrack™ is a patented operating mode for Datalogic Omni-Directional Reading Stations
used to correctly assign codes read on different packs when placed in the scanner Reading
Area at the same time.
In fact, in the following example, the codes of two or more consecutive packs are found at
the same time in the scanner reading area. Therefore, the condition occurs where, in the
sequence of the two packs, the code of the second pack is read first, just before the code of
the previous pack. A system without PackTrack™ would assign the code of the second pack
to first pack and vice versa, thus causing a gross error in sortation.
Figure 105 PackTrack™ System Layout
Working in PackTrack™ mode requires an encoder and a presence sensor (or equivalent
signals) to track the moving packs.

Table of Contents

Other manuals for Datalogic DS6400

Related product manuals