EasyManua.ls Logo

Datalogic DS6400 - RS232 Master;Slave

Datalogic DS6400
159 pages
Print Icon
To Next Page IconTo Next Page
To Next Page IconTo Next Page
To Previous Page IconTo Previous Page
To Previous Page IconTo Previous Page
Loading...
DS6400 REFERENCE MANUAL
134
A
1
2
Main Serial Interface
Auxiliary Serial Interface
* P.S. (Presence Sensor) connected to Input 1 (External Trigger/PS) input.
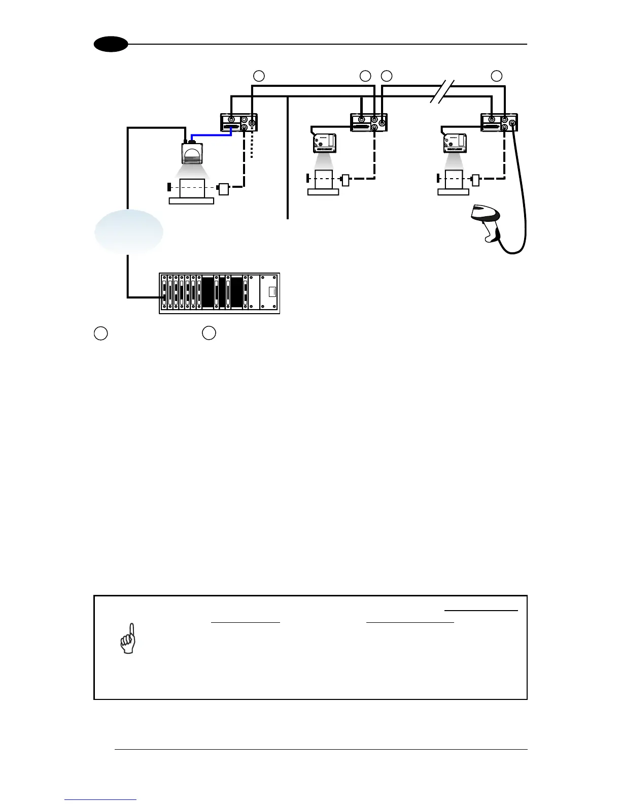
Figure 139 Pass Through Connection for Fieldbus Models
RS232 MASTER/SLAVE
The RS232 master/slave connection is used to integrate a DS6400 reader in a network
consisting of different scanners not provided with a Lonworks interface.
The Slave scanners use RS232 only on the main and auxiliary interfaces. Each slave
scanner transmits the messages received by the auxiliary interface onto the main interface.
All messages will be transferred towards the master.
The master scanner is connected to the Host PC on the main RS232 serial interface through
the CBX connection box.
In RS232 Master/Slave connections the External Trigger/PS signal is unique to the system
(single P.S.).
NOTE
The DS6400 Standard model, working as Master in an RS232 network,
may be simultaneously connected to a Lonworks network consisting of
DS6400 slave scanners. Be careful when assigning the slave address,
since the number of the first Lonworks slave must be a progressive number
with respect to the address number defined for the last slave scanner of the
RS232 network. For example, if the RS232 network consists of Slave 1 and
Slave 2, the address to be assigned to the first Lonworks slave scanner will
be Slave 3 (not Slave 1).
PLC Host
Power
Gryphon
DS6400
CBX100
DS4800
P.S.*
P.S.*
P.S.*
2
1
2
1
Fieldbus
Network
I/O, AUX
CAB-F0x

Table of Contents

Other manuals for Datalogic DS6400

Related product manuals