EasyManua.ls Logo

Datalogic DS6400 - Page 151

Datalogic DS6400
159 pages
Print Icon
To Next Page IconTo Next Page
To Next Page IconTo Next Page
To Previous Page IconTo Previous Page
To Previous Page IconTo Previous Page
Loading...
ALTERNATIVE LAYOUTS
135
A
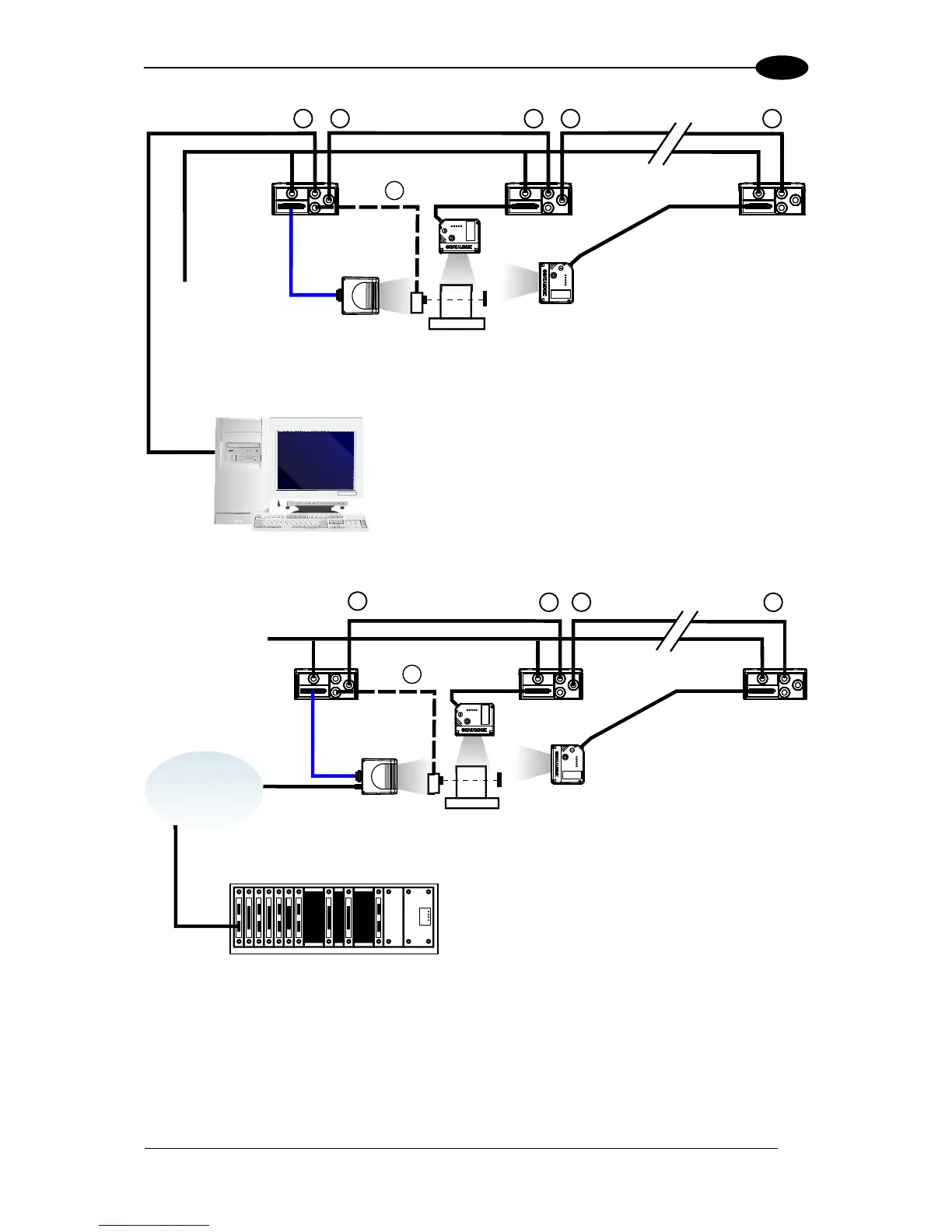
Figure 140 RS232 Master/Slave for DS6400 Master/Slave Models
Figure 141 RS232 Master/Slave for DS6400 Fieldbus Models
3
Main Serial Interface (RS232 only)
Auxiliary Serial Interface (RS232)
Input 1 (External Trigger/PS for On-Line Mode)
DS6400 Master
CBX100
Local Host
Power
DS4800
Slave n
1
2
1
1
2
CAB-Sxx
DS4800
Slave 1
3
Main Serial Interface (RS232 only)
Auxiliary Serial Interface (RS232)
Input 1 (External Trigger/PS for On-Line Mode)
DS6400 Master
CBX100
Remote PLC
Power
DS4800
Slave n
1
2
1
2
CAB-F0x
DS4800
Slave 1
Fieldbus
Network

Table of Contents

Other manuals for Datalogic DS6400

Related product manuals