EasyManua.ls Logo

Datalogic DS6400 - Page 47

Datalogic DS6400
159 pages
Print Icon
To Next Page IconTo Next Page
To Next Page IconTo Next Page
To Previous Page IconTo Previous Page
To Previous Page IconTo Previous Page
Loading...
CBX ELECTRICAL CONNECTIONS
31
3
#1
#0
(up to 31)
Scanner
Scanner
Scanner
Slave
Slave
Slave
Main Interface
RS232/RS485
HOST
Multidrop GND
Shield
Multidrop -
Multidrop +
1200 m Max Length
Multidrop Cable
V+
V-
Vdc
Earth
GND
Vdc
Earth
GND
Vdc
Earth
GND
PG-6000
PG-6000
PG-6000
PG-6000
MULTIPLEXER
Shield to Earth
120 Ohm
CBX100/500
Shield
floating
CBX100/500
Shield
floating
CBX100/500
SGND
Shield
RTX-
RTX+
SGND
Shield
RTX-
RTX+
SGND
Shield
RTX-
RTX+
Shield
floating
RS485 HD
Termination Resistor.
OFF
RS485 HD
Termination Resistor.
OFF
RS485 HD
Termination Resistor.
ON
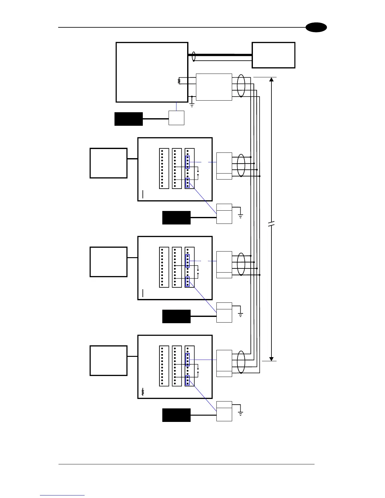
Figure 30 - DS6400 Multidrop Connection to a Multiplexer
* When using CBX500, the Main interface multidrop network signals: Shield, SGND, RTX+and RTX- are
repeated on terminal connector row 4 to facilitate system cabling.
*
*

Table of Contents

Other manuals for Datalogic DS6400

Related product manuals