EasyManua.ls Logo

Datalogic SG2 BASE Series - 14 INCLUDED ACCESSORIES

Datalogic SG2 BASE Series
96 pages
Print Icon
To Next Page IconTo Next Page
To Next Page IconTo Next Page
To Previous Page IconTo Previous Page
To Previous Page IconTo Previous Page
Loading...
SG2 MUTING
63/96
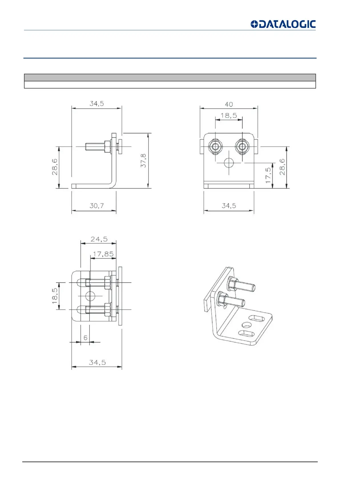
14 INCLUDED ACCESSORIES
Metal angled fixing bracket (ST-KSTD)
MODEL
DESCRIPTION
ST-KSTD
Angled fixing bracket (4 pcs kit)
Fig 76 - Dimensions (mm)

Table of Contents

Other manuals for Datalogic SG2 BASE Series