EasyManua.ls Logo

Datalogic SG2 BASE Series - 15.4 (SG-P) PLATE KIT FOR PROTECTIVE STANDS

Datalogic SG2 BASE Series
96 pages
Print Icon
To Next Page IconTo Next Page
To Next Page IconTo Next Page
To Previous Page IconTo Previous Page
To Previous Page IconTo Previous Page
Loading...
SG2 MUTING
70/96
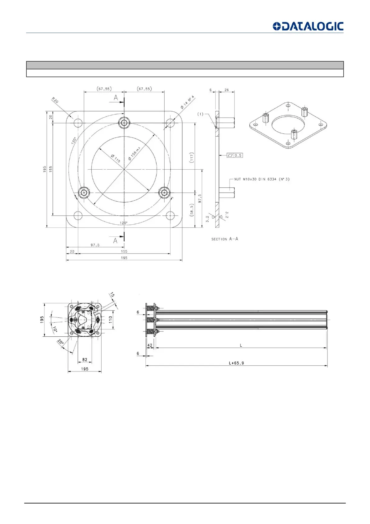
15.4 (SG-P) PLATE KIT FOR PROTECTIVE STANDS
MODEL
DESCRIPTION
CODE
SG-P
Plate kit with springs
95ASE2290
Fig 91 - Dimensions (mm)
Mounting with SG-PSB
Fig 92 - Mounting

Table of Contents

Other manuals for Datalogic SG2 BASE Series