EasyManua.ls Logo

Datalogic SG2 BASE Series - 15.2 (ST-KPXMP) PLASTIC ANGLED FIXING BRACKET

Datalogic SG2 BASE Series
96 pages
Print Icon
To Next Page IconTo Next Page
To Next Page IconTo Next Page
To Previous Page IconTo Previous Page
To Previous Page IconTo Previous Page
Loading...
SG2 MUTING
67/96
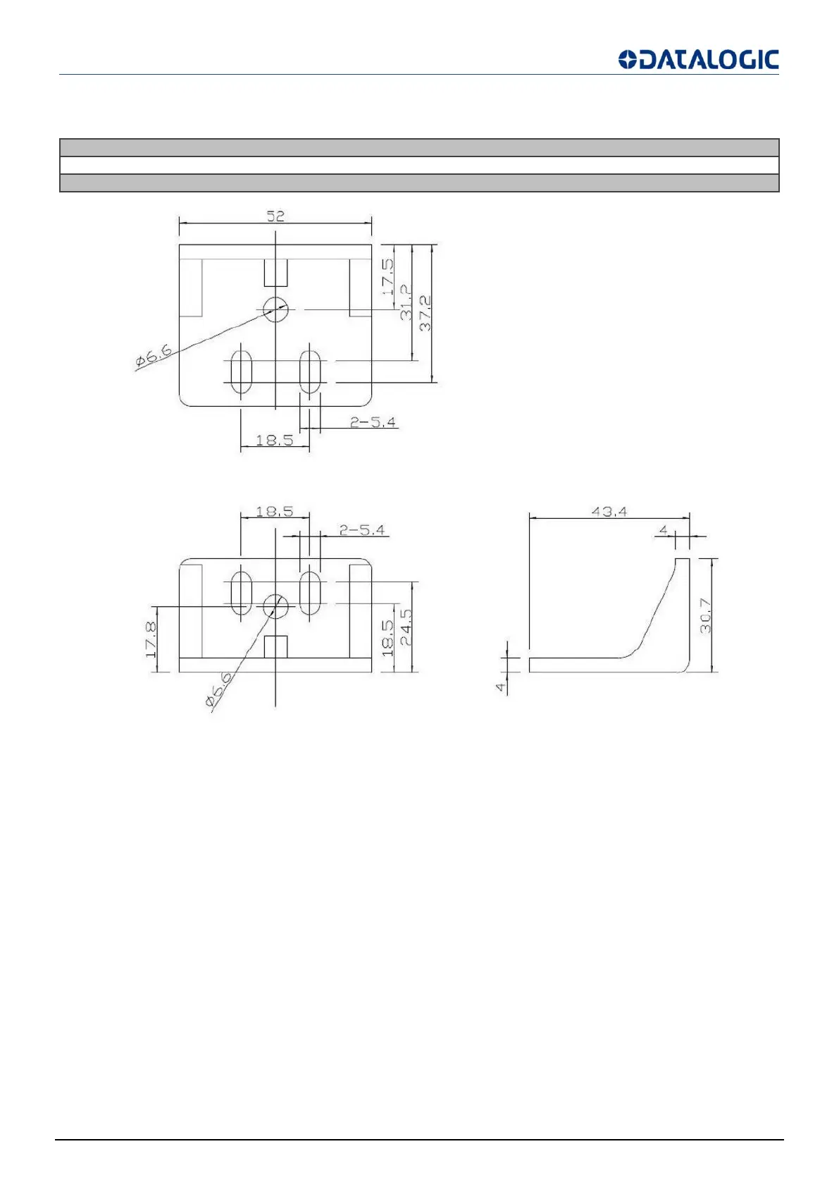
15.2 (ST-KPXMP) PLASTIC ANGLED FIXING BRACKET
MODEL
DESCRIPTION
CODE
ST-KP4MP
Angled fixing bracket (4 pcs kit)
95ASE1100
ST-KP6MP
Angled fixing bracket (6 pcs kit)
95ASE1110
Fig 84 - ST-KPxMP

Table of Contents

Other manuals for Datalogic SG2 BASE Series