EasyManua.ls Logo

DencoHappel F800 - Standard Unit Wiring Diagram

DencoHappel F800
40 pages
Print Icon
To Next Page IconTo Next Page
To Next Page IconTo Next Page
To Previous Page IconTo Previous Page
To Previous Page IconTo Previous Page
Loading...
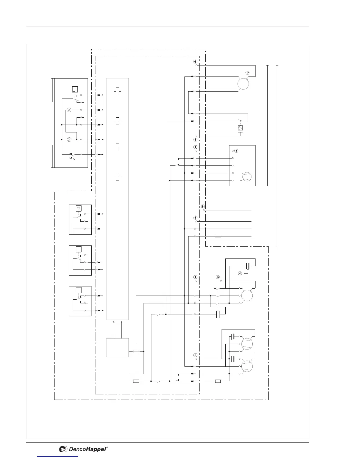
Erect, assemble and connect F800
28 PR-2013-0105-GB • Subject to modifications • R2-04/2016
4.3.1 Electrical connection