EasyManua.ls Logo

Denon DN-MC6000 - IC101 24 LC128 Pin Function and Block Diagram

Denon DN-MC6000
82 pages
Print Icon
To Next Page IconTo Next Page
To Next Page IconTo Next Page
To Previous Page IconTo Previous Page
To Previous Page IconTo Previous Page
Loading...
51
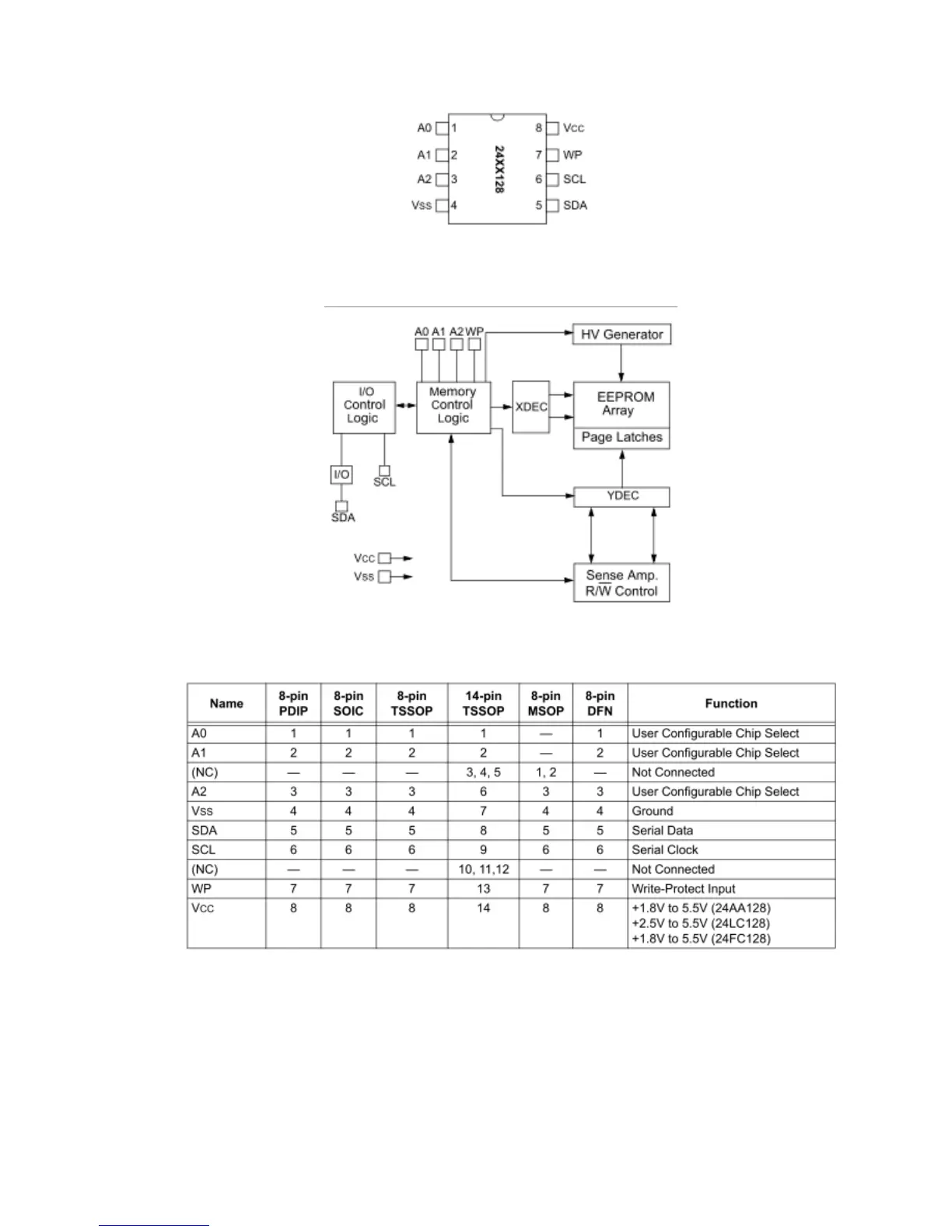
24LC128(CONTROL:IC101)
24LC128Blockdiagram
24LC128PinFunction

Table of Contents

Other manuals for Denon DN-MC6000

Related product manuals