EasyManua.ls Logo

Denon DN-MC6000 - IC120;121 PIC16 F616 Block Diagram and Pins

Denon DN-MC6000
82 pages
Print Icon
To Next Page IconTo Next Page
To Next Page IconTo Next Page
To Previous Page IconTo Previous Page
To Previous Page IconTo Previous Page
Loading...
52
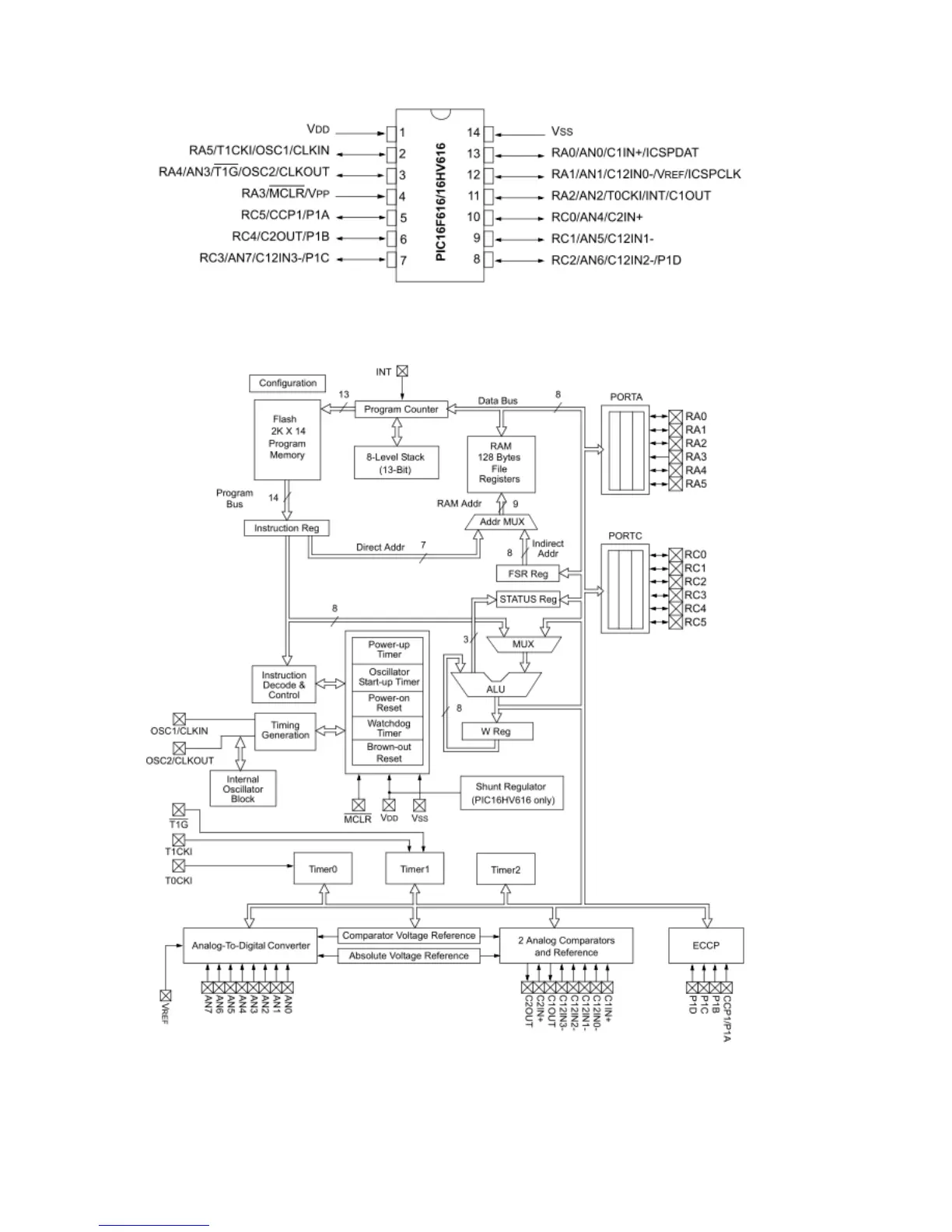
PIC16F616(CONTROL:IC120,121)
PIC16F616Blockdiagram

Table of Contents

Other manuals for Denon DN-MC6000

Related product manuals