EasyManua.ls Logo

Denyo DCA-150LSKE - Engine Wiring Diagram

Denyo DCA-150LSKE
102 pages
Print Icon
To Next Page IconTo Next Page
To Next Page IconTo Next Page
To Previous Page IconTo Previous Page
To Previous Page IconTo Previous Page
Loading...
- 91 -
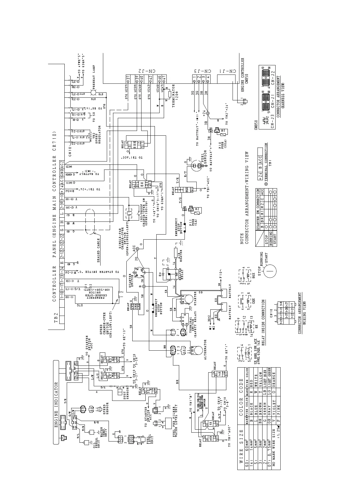
12-4 Engine wiring diagram

Related product manuals