EasyManua.ls Logo

Detcon TP-700 - Normal Operation

Detcon TP-700
46 pages
Print Icon
To Next Page IconTo Next Page
To Next Page IconTo Next Page
To Previous Page IconTo Previous Page
To Previous Page IconTo Previous Page
Loading...
Model TP-700
TP-700 Instruction Manual Rev. 4.1 Page 16 of 42
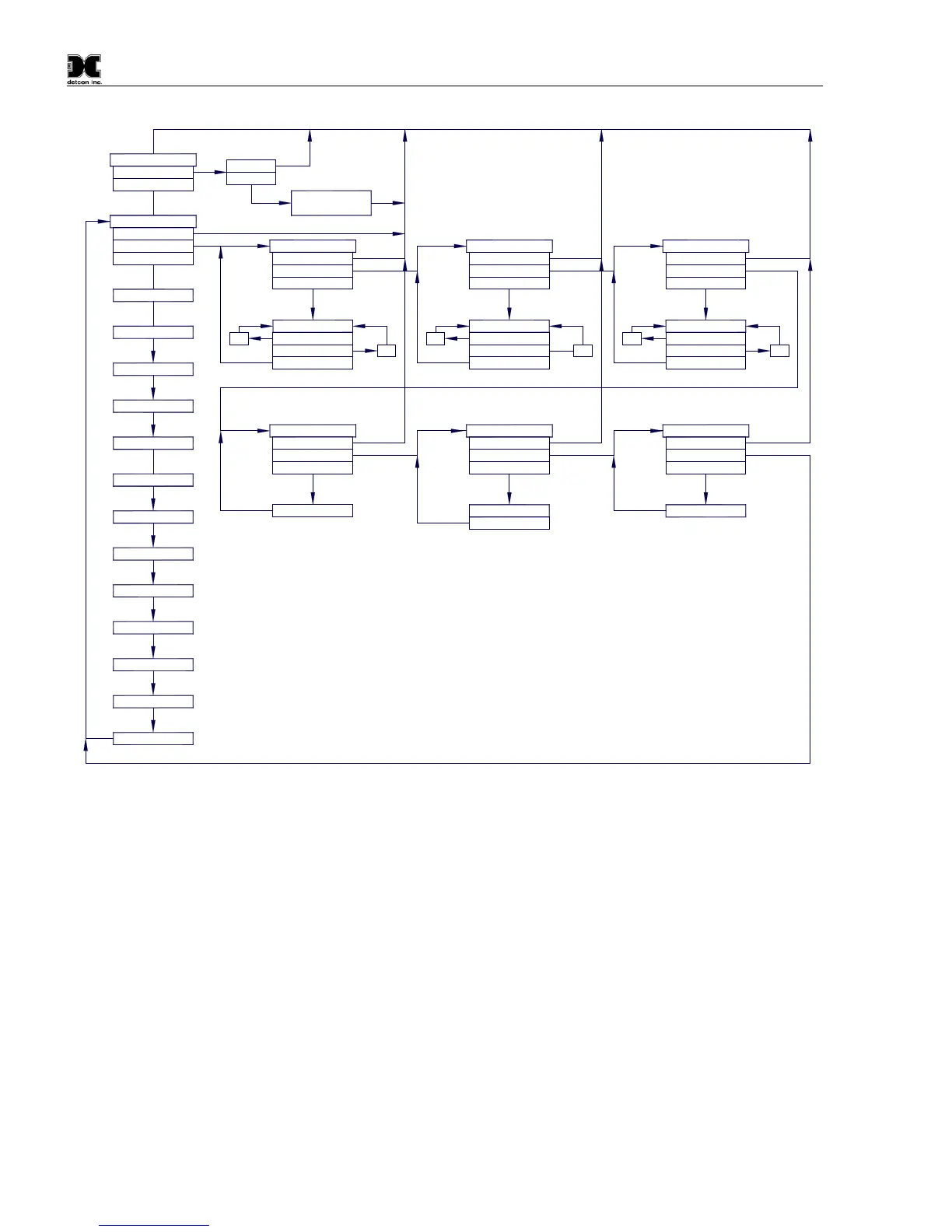
Software Flowchart
dec
PGM1/2 (M)
mA Output XX.XX
Sensor Temp XX C
Voltage XX.X VDC
Resistance XXXXX
Sensor Life XXX%
Heater XXX mW
Serial ID XX
Heater X.XX VDC
PGM1/2 (3)
Setting Heater
Exit
PGM1 (3)
PGM1 (3)
PGM2 (3)
Version X.XX
AutoSpan @ XX
Range XXX ppm
Last Cal XX Days
inc
Auto Time-Out
View Sensor Status
PGM1/2 (3)
PGM1/2 (M)
Model Type
PGM2 (10)
PGM2 (S)
PGM1/2 (3)
PGM1 (S)
Auto Time-Out
Set Heater Power
##
AutoTime-out
PGM1/2 (3)
PGM1/2 (M)
Set AutoSpan Level
Calibration Mode
(Auto Span)
Normal Operation
PGM1/2 (M)PGM1/2 (M)
Defaults Restored
LEGEND:
PGM1 - Program Switch Location #1
PGM2 - Program Switch Location #2
(S) - Momentary Swipe
(M) - Momentary hold of Magnet during text
scroll until the ">" appears, then release
(3) - 3 second hold from ">" prompt
(10) - 10 second hold from ">" prompt
Auto Time-out - 5 seconds
inc - Increase
dec - Decrease
#, ##, ### - numeric values
PGM2 (10)
PGM1/2 (3)
Simulation
PGM1/2 (3)
Auto Time-Out
Restore Defaults
Auto Time-Out
Auto Time-Out
Auto Time-Out
Signal Output Check
inc
PGM1/2 (3)
PGM1 (S)
PGM2 (S)
##
PGM1/2 (3)
PGM1/2 (M)
Set Range
dec
inc
PGM2 (S)
PGM1/2 (3)
PGM1 (S)
##
dec
PGM1/2 (3)
PGM1/2 (M)
Set Serial ID
Figure 14 TP-700 Software Flowchart
3.3 Normal Operation
In normal operation, the ITM Display continuously shows the current sensor reading, which will normally appear
as “ 0 ”. Once every minute, the LED display will flash the sensor’s units of measure and the gas type (i.e. ppm
H
2
S). If the sensor is actively experiencing any diagnostic faults, a “Fault Detected” message will scroll across
the display on the ITM display once every minute instead of the units of measure and the gas type. At any time,
while the sensor is in “Fault Detected” mode, PGM1 or PGM2 can be swiped to prompt the sensor to display a
list of the active faults.
In normal operation, the 4-20mA current output linearity corresponds with the full-scale range. The RS-485
Modbus™ serial output provides the current gas reading and complete fault status on a continuous basis when
polled by the master device.

Table of Contents

Related product manuals