EasyManua.ls Logo

Digi TransPort WR21 - Page 57

Digi TransPort WR21
948 pages
Print Icon
To Next Page IconTo Next Page
To Next Page IconTo Next Page
To Previous Page IconTo Previous Page
To Previous Page IconTo Previous Page
Loading...
Hardware features TransPort WR31 hardware features
Digi TransPor Routers User Guide
57
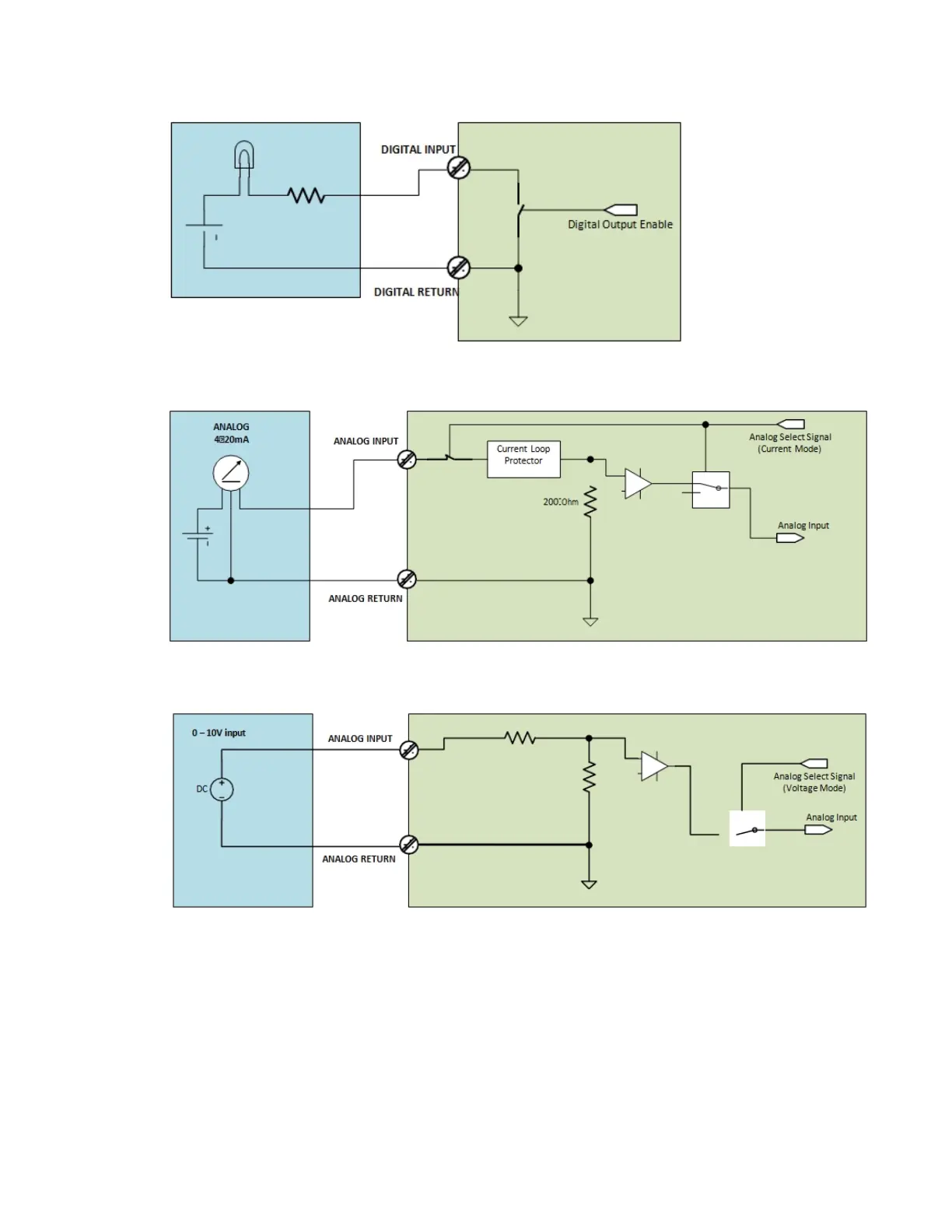
Analog input, 4-20mA input mode
Analog input, 0-10V input mode

Table of Contents

Other manuals for Digi TransPort WR21

Related product manuals