EasyManua.ls Logo

Dilo SF6 - Page 92

Dilo SF6
135 pages
Print Icon
To Next Page IconTo Next Page
To Next Page IconTo Next Page
To Previous Page IconTo Previous Page
To Previous Page IconTo Previous Page
Loading...
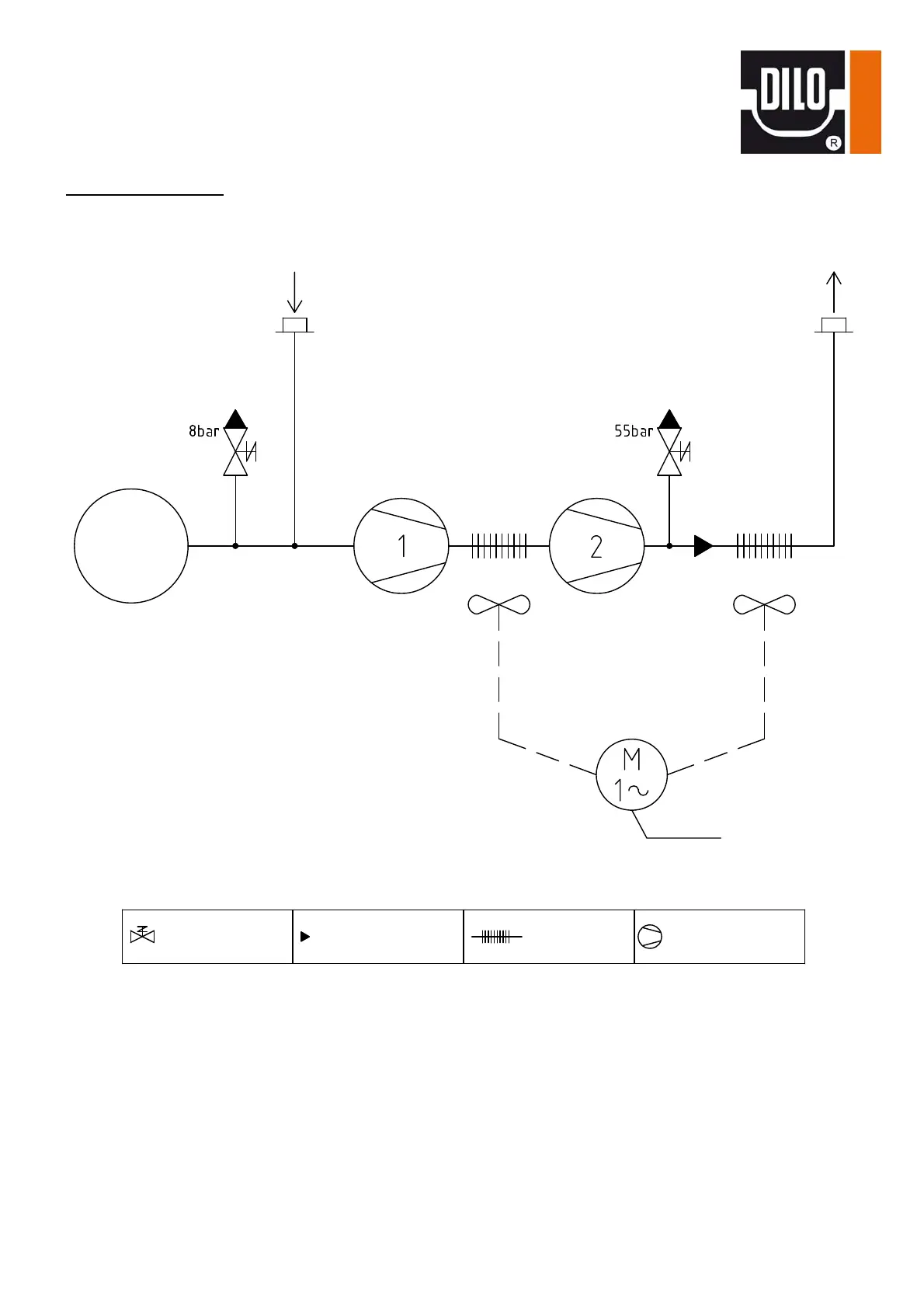
Dry-running compressor | TM 5.0 B
www.dilo-gmbh.com | C 1610-10 | Page 6 / 18
Functional diagram
safety valve
coole
r
non return valve
compression
stage
f
a
n
crankcase

Table of Contents

Related product manuals