EasyManua.ls Logo

DKS 9210 - 208 VAC, 1-Phase Variable Speed

DKS 9210
57 pages
Print Icon
To Next Page IconTo Next Page
To Next Page IconTo Next Page
To Previous Page IconTo Previous Page
To Previous Page IconTo Previous Page
Loading...
208 VAC, 1-Phase Variable Speed
DOORKING, INC., INGLEWOOD, CA 90301
Title:
Date: Rev.Dwg. No.
20 16171819 12131415 11 678910 12345
CURRENT
SENSOR
ALARM
ALARM
RESET
N.O.COM
INTERLOCK
115 VAC Convenience
SLOW DOWN
N.O.COM
SLOW DOWN
N.O.COM
LIMIT
N.O.COM
LIMIT
N.O.COM
MID STOP
N.O.COM
P2
1
2
3
4
5
6
7
8
Blue
Yellow
Red
Green
Black
White
White
Red
Black
Yellow
Red
White
1 2 3 4 5
106
1
2
5
6
13A
11
13B
13E
25
16
17
L1 B- B+
UVW PEPE
Black
White
Black
Black
Black
Green
P6
White
Red
Blue
Yellow
Black
Yellow
Red
Blue
Red
Black
Orange
1 2 3
7 8 9
4 5 6
P4 P5 P6
L1 L2 L3
Black
White
Black
White
Red
Blue
Blue
Red
1
ft/s
.5
ft/s
1.5
ft/s
2 ft/s0 ft/s
Blue
Red
Black
Shield
Shield
Orange
208 VAC
1-Phase
Input
2/07
B
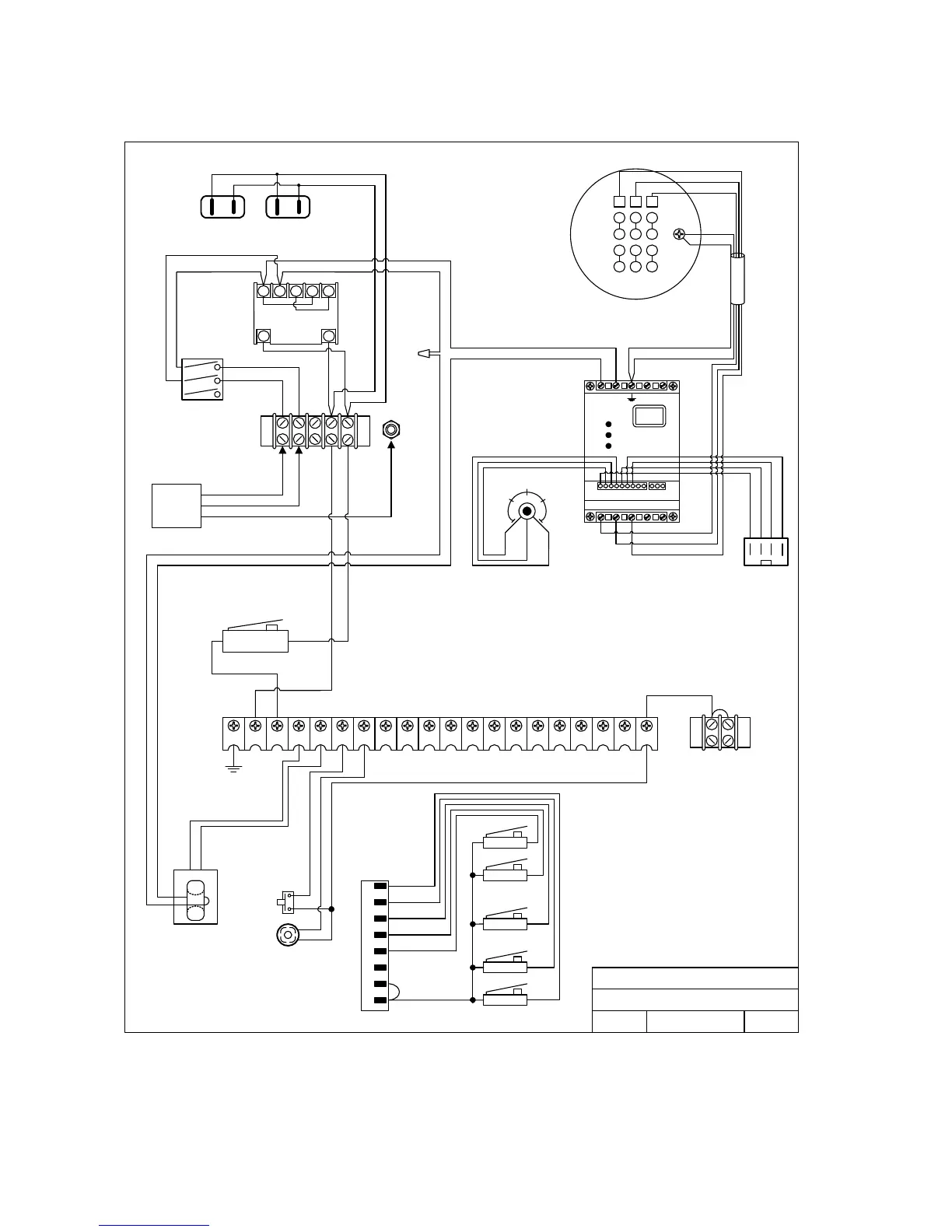
9210-208-1-VS
Wire Diagram Model 9210 / 9220
208 VAC, 1-Phase, Variable Speed
Wire
Nut
Red
Blue
Black
Black
L2/N
Motor 2600-295
Page 54 9210-065-H-8-08

Table of Contents

Related product manuals